Компанией ПРОЕКТ-П (г. Вологда) разработана на базе оборудования ОВЕН АСУ ТП пластинчатой пастеризационно-охладительной установки для молочных продуктов.
Качество выпускаемой молочной продукции на молочных заводах во многом определяется качеством пастеризации продукта. В свою очередь, качество пастеризации зависит как от точного теплового расчета и сборки пастеризационной установки, так и от системы автоматического управления процессом пастеризации.
В пищевой промышленности существует множество различных пастеризационных установок: трубчатые, пластинчатые, ультразвуковые и т.п. Наиболее распространенной является установка на пластинчатом теплообменнике, такие установки легко управляются и имеют хорошие энергетические показатели. Энергетическая эффективность пластинчатых пастеризационных установок обеспечивается за счет секций регенерации, где продукт, поступающий на установку, предварительно нагревается за счет охлаждения уже пастеризованного продукта. Также пластинчатые пастеризационные установки имеют секцию подогрева/охлаждения продукта на выходе из установки, где производится либо подогрев, либо охлаждение продукта в зависимости от технологического процесса. Поэтому в общем случае говорят о пластинчатых пастеризационно-охладительных установках (далее по тексту – ППОУ).
Существует множество разновидностей ППОУ, которые можно классифицировать следующим образом:
- Оборудование, подключаемое к пастеризационной установке (деаэратор, сепаратор, гомогенизатор).
- Наличие выдерживателя (60 с, 300 с).
- Количество секций регенерации.
- Наличие секции подогрева или секции охлаждения на выходе из установки.
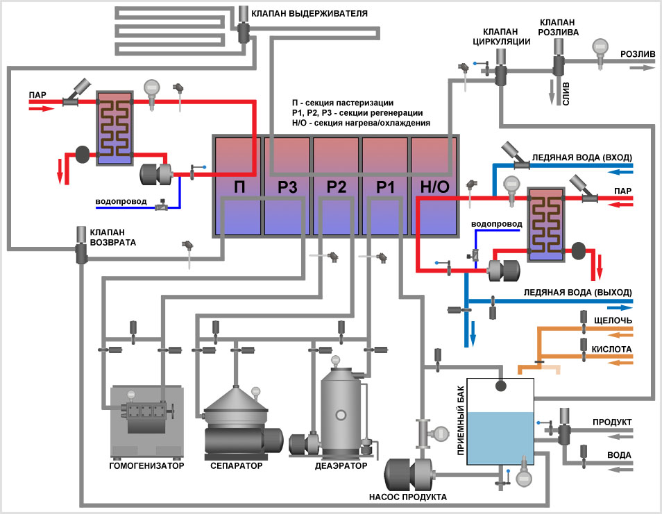
На рис.1. представлена функциональная схема ППОУ, объединяющая все разновидности ППОУ.
Большинство производителей пищевого оборудования (в частности, производители ППОУ) ориентируются на зарубежных производителей электроники и программного обеспечения при проектировании АСУ ТП (Siemens, OMRON, Mitsubishi Electric и др.), что в свою очередь приводит к высокой стоимости ППОУ. Применение оборудования ОВЕН позволяет значительно снизить стоимость ППОУ (порядка нескольких сотен тысяч рублей). При этом АСУ ТП ППОУ, построенная на оборудовании ОВЕН, практически не уступает по функционалу и качеству автоматического управления и регулирования АСУ ТП, построенных на электронике зарубежных производителей.
АСУ ТП ППОУ включает в себя: шкаф управления, КИП и датчики, пневматические и электрические отсечные и регулирующие клапаны, насосы теплоносителя, продукта и моющих растворов.
На рис.2 представлена функциональная схема АСУ ТП ППОУ, построенная на оборудовании ОВЕН.
Шкаф управления ППОУ на базе оборудования ОВЕН включает в себя:
- 1 программируемый логический контроллер ОВЕН ПЛК154;
- 1 модуль универсального аналогового ввода ОВЕН МВ110-8А;
- 2 модуля дискретного вывода ОВЕН МУ110-16К;
- 2 модуля дискретного ввода ОВЕН МВ110-32ДН;
- 1 частотный преобразователь ОВЕН ПЧВ;
- 2 блока питания ОВЕН БП60-Д4;
- 1 архиватор ОВЕН МСД-100;
- 1 панель оператора ОВЕН СП270;
- электромагнитные реле, пневмопреобразователи и др.
Описание технологического процесса ППОУ и АСУ ТП
Технологически пастеризация молочных продуктов состоит из 5 процессов:
- 1. Процесс стерилизации.
- 2. Процесс пастеризации.
- 3. Процесс мойки щелочью.
- 4. Процесс мойки кислотой.
- 5. Процесс ополаскивания.
Процесс стерилизации
Процесс стерилизации – это процесс термической дезинфекции установки. Запускается перед процессом пастеризации продукта.
При запуске процесса стерилизации включаются насосы контуров горячей воды секций пастеризации и подогрева, а также насос продукта. Открывается клапан подачи воды в приемный бак. По достижению верхнего уровня воды в приемном баке клапан воды отключается. Открываются клапаны пара секций пастеризации и подогрева. В зависимости от температуры воды на выходе из секции пастеризации и секции подогрева происходит регулирование степени открытия регулирующих клапанов пара.
Последовательно в полуавтоматическом режиме подключаются: деаэратор, сепаратор, гомогенизатор. Как только температура воды в установке достигает значения уставки температуры стерилизации, начинается отсчет времени стерилизации. По окончанию отсчета времени стерилизации перекрывается подача пара, звучит звуковая сигнализация. В полуавтоматическом режиме отключаются: деаэратор, сепаратор, гомогенизатор, установка останавливается (отключаются насосы, клапаны переходят в исходное состояние) процесс стерилизации окончен.
Во время стерилизации установка периодически переключается между контурами возврата и циркуляции.
Контур возврата: приемный бак – клапан возврата – приемный бак.
Контур циркуляции: приемный бак – клапан возврата – клапан выдерживателя – клапан циркуляции – приемный бак.
Процесс пастеризации
Процесс пастеризации состоит из 4 подпроцессов: разогрев установки до температуры пастеризации, выталкивание воды, розлив, выталкивание продукта.
Разогрев установки
При запуске процесса пастеризации включаются насосы контуров горячей воды секций пастеризации и подогрева, а также насос продукта. Открывается клапан возврата. В зависимости от технологического процесса подключается выдерживатель. Открывается клапан подачи воды в приемный бак. По достижению верхнего уровня воды в приемном баке клапан воды отключается. Открываются клапаны пара секций пастеризации и подогрева. В зависимости от температуры воды на выходе из секции пастеризации и секции подогрева происходит регулирование степени открытия регулирующих клапанов пара. Последовательно в полуавтоматическом режиме подключаются: деаэратор, сепаратор, гомогенизатор. Как только температура воды достигает уставки температуры пастеризации, звучит звуковой сигнал, информирующий оператора о том, что установка разогрета и можно начинать подпроцесс выталкивания воды. Нагрев воды (продукта) продолжается в течение всего процесса пастеризации.
Выталкивание воды
Подпроцесс выталкивания воды заключается в вытеснении продуктом воды из установки в канализацию. При запуске выталкивания воды открывается клапан циркуляции. Клапан розлива переключается на слив. Идет слив воды в канализацию. В зависимости от технологического процесса идет либо подогрев, либо охлаждение продукта на выходе установки. При охлаждении перекрывается клапан пара секции подогрева, открывается клапан сброса отепленной воды, последовательно с интервалом в несколько секунд открываются клапаны выхода и входа ледяной воды соответственно.
Как только опустошится приемный бак, открывается клапан подачи продукта в приемный бак, и включается таймер выталкивания воды. Уровень продукта в приемном баке автоматически поддерживается в течение всего времени пастеризации продукта. Из приемного бака продукт продуктовым насосом подается в секцию регенерации 1, где происходит предварительный нагрев продукта до температуры 40-60 ºС. Далее продукт поступает в деаэратор, после процесса деаэрации продукт поступает в сепаратор, где очищается и поступает в секцию регенерации 2 и нагревается до температуры 50-70 ºС. Из секции регенерации 2 продукт поступает на гомогенизатор, после гомогенизации продукт поступает в секцию регенерации 3, а затем в секцию пастеризации, где окончательно нагревается до заданной температуры пастеризации. Выйдя из секции пастеризации, пройдя переключающий автоматический клапан возврата и выдерживатель (25-300 с), продукт идет в секции регенерации 3, 2, 1 соответственно. Далее в зависимости от технологии производства, происходит либо нагрев, либо охлаждение продукта в секции нагрева/охлаждения.
Нагрев и охлаждение продукта производится за счет теплообмена в пяти секциях: в секциях регенерации 1, 2 и 3 теплообмен происходит между исходным холодным продуктом и горячим пастеризованным. В секциях пастеризации и подогрева/охлаждения теплообмен ведется между продуктом и водой. По окончанию отсчета времени выталкивания воды клапан розлива переключается на розлив – автоматически запускается подпроцесс розлива продукта.
Розлив
Во время подпроцесса розлива продукта ведется контроль линии розлива по датчику давления продукта на выходе из установки. При повышении давления продукта на выходе из установки свыше 2 кг/см2 установка останавливается, формируется авария линии розлива. Также ведется контроль температуры пастеризации продукта. При падении температуры пастеризации продукта ниже чем на 2 ºC от уставки установка автоматически переключается на возврат – недопастеризованный продукт проходит повторную пастеризацию.
Как только температура пастеризации продукта достигнет уставки температуры пастеризации, установка автоматически переключается обратно на розлив продукта. При падении уровня продукта в приемном баке ниже заданного минимального уровня установка автоматически переключается на циркуляцию. Звучит звуковой сигнал, информирующий оператора о том, что закончился продукт. В этом случае у оператора имеется два варианта действий: первый – подключить к установке другой резервуар с продуктом и повторно запустить розлив, второй – запустить процесс выталкивания продукта.
Выталкивание продукта
Подпроцесс выталкивания продукта заключается в вытеснении водой продукта из установки, а также из линии розлива. При запуске выталкивания продукта открывается клапан циркуляции, клапан розлива находится в положении «Розлив». Как только опустошится приемный бак, открывается клапан воды в приемный бак, и включается таймер выталкивания продукта. По окончанию отсчета времени выталкивания продукта установка переключается на циркуляцию, перекрывается подача пара, звучит звуковая сигнализация. В полуавтоматическом режиме отключаются: деаэратор, сепаратор, гомогенизатор, установка останавливается, процесс пастеризации окончен.
Процесс мойки щелочью и кислотой
Процессы мойки щелочью и кислотой запускаются после процесса пастеризации. Они необходимы для полного удаления остатков молочных продуктов из установки. При запуске процесса мойки щелочью (кислотой) включаются насосы контуров горячей воды секций пастеризации и подогрева, а также насос продукта. Открывается клапан подачи воды в приемный бак. По достижению верхнего уровня воды в приемном баке клапан воды отключается. Открывается клапан подачи щелочи (кислоты), запускается таймер дозирования.
В течение времени дозирования периодически включается и выключается дозирующий насос щелочи (кислоты). Это необходимо для равномерного распределения моющих растворов по установке. По окончанию дозирования моющих растворов открываются клапаны пара секций пастеризации и подогрева. В зависимости от температуры воды на выходе из секции пастеризации и секции подогрева происходит регулирование степени открытия регулирующих клапанов пара. Последовательно в полуавтоматическом режиме подключаются: деаэратор, сепаратор, гомогенизатор. Открывается клапан мойки приемного бака. Как только температура воды в установке достигает значения уставки температуры мойки щелочью (кислотой), начинается отсчет времени мойки. По окончанию отсчета времени мойки перекрывается подача пара, звучит звуковая сигнализация. В полуавтоматическом режиме отключаются: деаэратор, сепаратор, гомогенизатор, установка останавливается, процесс мойки окончен.
Во время мойки установка периодически переключается между контурами возврата и циркуляции.
Ополаскивание
Процесс ополаскивания следует за процессом мойки и необходим для полного удаления моющих растворов из пастеризационной установки. При запуске процесса ополаскивания включаются насосы контуров горячей воды секций пастеризации и подогрева, а также насос продукта. Запускается таймер процесса ополаскивания. Открываются клапаны возврата и циркуляции. Клапан розлива переключается на слив. После опорожнения приемного бака открывается клапан подачи воды в приемный бак.
В течение процесса ополаскивания автоматически поддерживается уровень воды в приемном баке. При теплом ополаскивании открываются клапаны пара секций пастеризации и подогрева и, в зависимости от температуры воды на выходе из секции пастеризации и секции подогрева, происходит регулирование степени открытия регулирующих клапанов пара. Последовательно в полуавтоматическом режиме подключаются: деаэратор, сепаратор, гомогенизатор. По окончанию отсчета времени стерилизации при теплом ополаскивании перекрывается подача пара, звучит звуковая сигнализация. В полуавтоматическом режиме отключаются: деаэратор, сепаратор, гомогенизатор, установка останавливается, процесс ополаскивания окончен.
Во время ополаскивания установка периодически переключается на слив, циркуляцию и возврат.
Дополнительная информация по АСУ ТП ППОУ
Контроль давления воздуха. Автоматика пастеризационной установки контролирует давление воздуха на входе в шкаф управления по реле давления системы воздухоподготовки. При падении давления воздуха ниже допустимого значения (4-5 кг/см2) формируется аварийное сообщение, установка останавливается.
Контроль питающей сети. АСУ ТП по сигналу с реле контроля напряжения и фаз ведет контроль трех фазной сети переменного тока. При отсутствии сигнала установка останавливается, формируется авария питающей сети.
Контроль перегрева. В ППОУ реализован контроль перегрева в секциях пастеризации и подогрева. При превышении температуры теплоносителя 105 ºС подача пара в соответствующую секцию прекращается, до тех пор, пока температура теплоносителя не опустится ниже 100 ºС.
Контроль теплообмена. При пастеризации продукта ведется контроль разности температур теплоносителя и продукта в секции пастеризации. Если разность температур становиться больше чем 10 ºC, установка перключается на циркуляцию, формируется авария теплообмена в секции пастеризации. Нарушение теплообмена связано с накипанием продукта на стенки пластин теплообменника.
Контроль утечки воды в системе. Во время работы установки на воде на замкнутом контуре (стерилизация, пастеризация — разогрев установки, мойка щелочью, мойка кислотой) ведется контроль уровня воды в приемном баке. При понижении уровня воды ниже установленного значения установка останавливается, инициируется авария утечки воды в системе.
Положение линии моющих растворов. Линия подачи моющих растворов имеет два положения: «пастеризация» (стерилизация, пастеризация, ополаскивание) и «мойка» (мойка щелочью, мойка кислотой). При запуске каждого процесса проверяется положение линии моющих растворов, если линия положения не соответствует запускаемому процессу, процесс не будет запущен и будет сформировано аварийное сообщение.
Контроль работы оборудования. Работа деаэратора, сепаратора, гомогенизатора, насосов и пневмоклапанов контролируется по обратным связям. Если при работе ППОУ пропадает обратная связь от оборудования, то инициируется авария оборудования и ППОУ останавливается.
Подпитка контуров пастеризации и подогрева/охлаждения. Контуры горячей воды секций пастеризации и подогрева/охлаждения автоматически подпитываются водопроводной водой при понижении давления воды в контурах. Если давление в контуре горячей воды не достигает уставки (2 кг/см2) в течение определенного времени, то формируется авария утечки воды в контуре горячей воды.
Ручное управление. Управление исполнительными механизмами ППОУ осуществляется как в автоматическом, так и в ручном режимах посредством панели оператора ОВЕН СП270, причем переключение между автоматическим и ручным режимами возможно и во время работы установки.
Подключение деаэратора, сепаратора, гомогенизатора. В зависимости от технологии обработки продукта возможно подключение любой комбинации следующего оборудования: деаэратора, сепаратора, гомогенизатора. Запуск установки осуществляется без деаэратора, сепаратора, гомогенизатора, затем данное оборудование последовательно подключается к установке. Деаэратор, сепаратор и гомогенизатор имеют свои пульты управления, с которых на шкаф управления ППОУ поступают сигналы о работе оборудования. По сигналам обратных связей осуществляется переключение клапанов подачи продукта (вход, выход, байпас) на соответствующее оборудование.
Управление температурой продукта. Управление температурой пастеризации и температурой продукта на выходе осуществляется посредством регулирования подачи пара или ледяной воды в секции пастеризации и подогрева/охлаждения. Программируемый контроллер ОВЕН ПЛК154 непрерывно опрашивает датчики температуры продукта; информация о температуре поступает на ПИД-регуляторы, которые выдают управляющий сигналы (4…20 мА, 0…10 В) на регулирующие клапаны пара.
Управление насосом продукта. Управление производительностью насоса продукта осуществляется посредством изменения частоты вращения двигателя насоса продукта через частотный преобразователь. Информация с расходомера продукта обрабатывается ПИД-регулятором ПЛК, который выдает управляющий сигнал на частотный преобразователь (4…20 мА, 0…10 В).
Световая и звуковая индикация. Для световой и звуковой индикации в АСУ ТП ППОУ применяется двухцветная сигнальная башня. При запущенном процессе горит зеленый индикатор. При авариях горит красный индикатор. По завершению процессов, а также в аварийных ситуациях звучит звуковая сигнализация.
Визуализация. Визуализация информации, а также управление установкой осуществляется посредством панели оператора ОВЕН СП270. На панели задаются уставки температур и времени процессов, время дозирования моющих растворов, время одной дозы и паузы, производительность насоса продукта, настройки ПИД-регуляторов, таймеров и мн.др. Также на СП270 отображаются технологическая схема ППОУ, графики температур процесса, архив аварий, журнал работы ППОУ, аварийные и информационные сообщения о работе ППОУ.
Регистрация температуры. Регистрация температуры пастеризации и температуры на выходе осуществляется прибором ОВЕН МСД-100 на электронный носитель (SD-карта).
Подключение к SCADA системе. В АСУ ТП ППОУ реализована возможность удаленного управления технологическим процессом посредством SCADA-системы. Подключение удаленного компьютера к ПЛК154 осуществляется через интерфейс связи Ethernet, протокол связи Modbus-TCP.
Примечание от компании ОВЕН. В настоящее время панель оператора СП270 снята с производства. Рекомендуем в ваших проектах использовать линейку сенсорных панелей оператора ОВЕН СП3xx.








