Автоматизированная система управления очистными сооружениями на основе биореакторов разработана для коттеджного поселка «Капитолий» (Московская область).
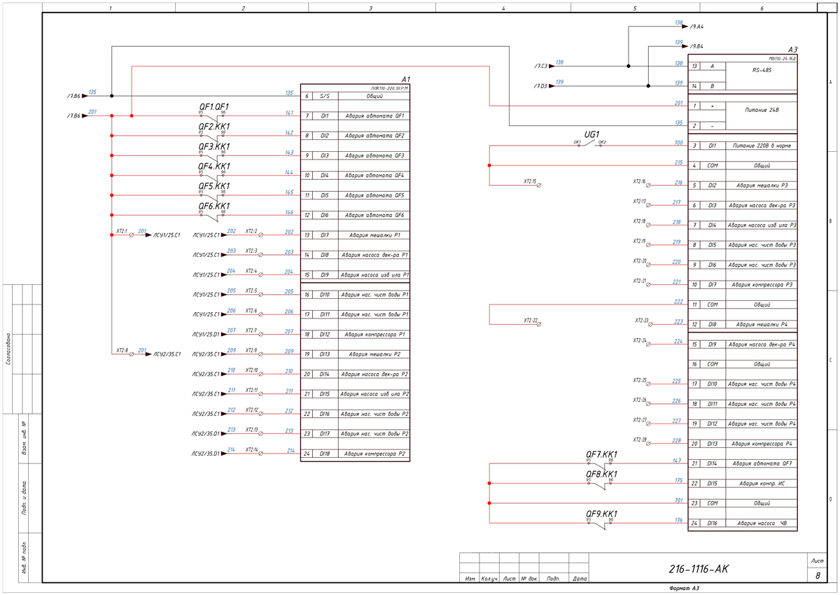
В основе системы управления – программируемый логический контроллер ОВЕН ПЛК110; модули ввода/вывода ОВЕН: МВ110-24.16Д, МУ110-24.32Р, МУ110-224.16Р, MB110-224.8A; GPRS-модем ОВЕН ПМ-01; датчики ОВЕН: кондуктометрический ДС2 и поплавковый с аналоговым выходным сигналом ПДУ-И.
Назначение
Система предназначена для очистки сточных канализационных вод посредством биореакторов периодического действия.
Описание функционала
Система управления имеет модульную структуру – центральная система управления (ЦСУ) на базе программируемого контроллера ОВЕН ПЛК110 обеспечивает управление до шести биореакторами одновременно. Расширение системы осуществляется установкой щита локальной системы управления (ЛСУ) и комплекта датчиков. Человеко-машинный интерфейс обеспечивается touch-панелью оператора.
Основные функции:
- Управление загрузкой до шести биореакторов по каскадной логике.
- Управление технологическим циклом очистки биореакторов (9 этапов), бака чистой воды, илового стабилизатора.
- Возможность изменения технологических настроек, блокировок, уставок через панель оператора.
- Защита от несанкционированного доступа уровнями доступа.
- Рассылка СМС-оповещений по аварийным событиям.
Возможность удаленного мониторинга по каналу GPRS.









![ПЛК110 [М02] контроллер для средних систем автоматизации с DI/DO (обновленный)](https://owen-russia.ru/wp-content/uploads/2022/08/plk110-30_m02-300x240.png)
