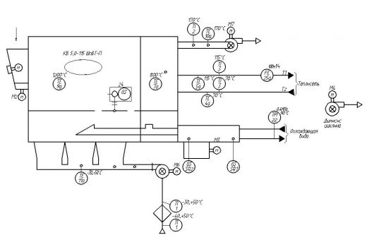
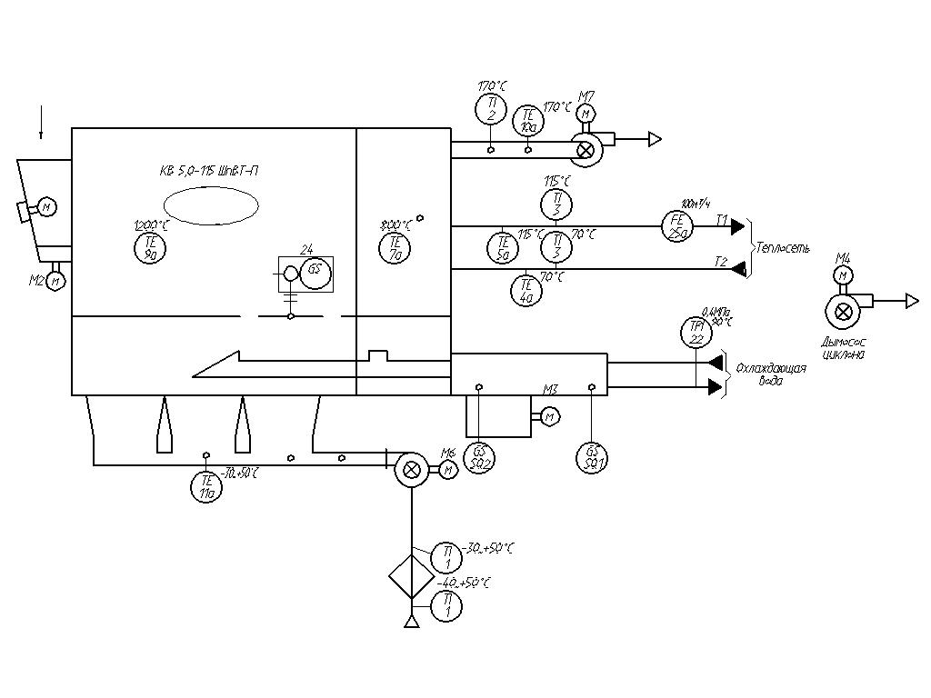
- Система автоматизации обеспечивает управление оборудованием котельной ячейки, включающей:
— котел водогрейный КВ;
— топку с питателем и выгружателем шлака;
— вентилятор;
— дымосос.
- Система автоматизации (СА) представляет собой локальную систему управления с применением контроллера ОВЕН ПЛК.
- ОВЕН ПЛК вырабатывает сигналы управления и производит контроль сигналов датчиков аварийных параметров котла и состояния тягодутьевых машин. При выходе любого из контролируемых параметров котла за пределы допуска, ПЛК фиксирует возникновение аварийной ситуации, переключает автоматику котла в состояние «АВАРИЯ» и запоминает первопричину аварии.
- СА предусматривает автоматическое регулирование следующих параметров:
— разрежение в топке котла;
— напор воздуха после вентилятора;
— температура воды на выходе из котла.
Регулирование температуры на выходе из котла производится режимом горения топлива в топке.
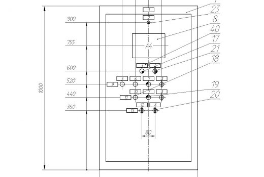
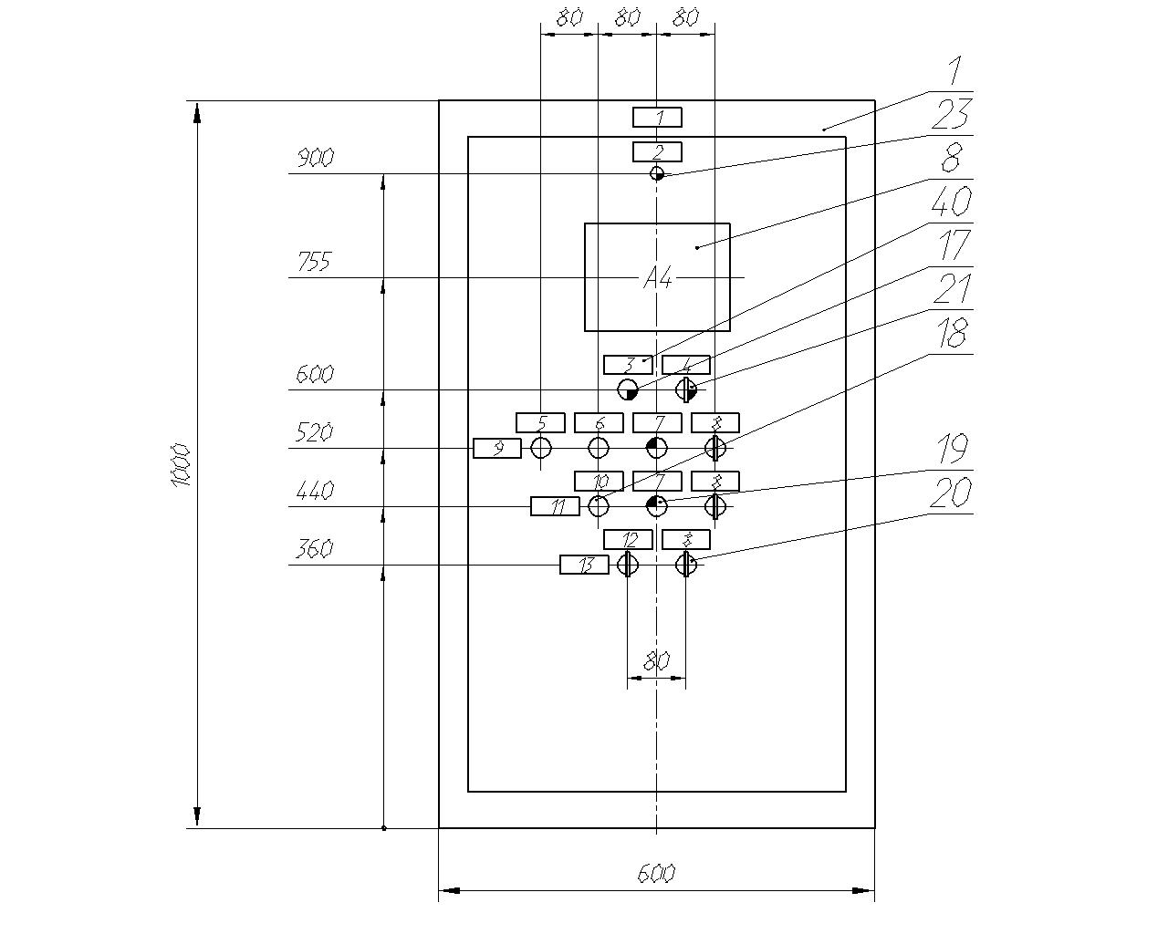
- В целом СА состоит из щита управления котлом ЩУК, датчиков и исполнительных устройств. ОВЕН ПЛК и сенсорная панель управления встраивается в ЩУК и являются его составной частью.
- На лицевой стороне щита ЩУК, расположенного на фронте котла установлена сенсорная панель. C ее помощью осуществляется отображение состояния оборудования котла, текущих значений технологических параметров, сигнализация об отклонениях параметров и аварийных ситуациях, а также виртуальные кнопки управления исполнительными механизмами и электродвигателями.





![ПЛК110 [М02] контроллер для средних систем автоматизации с DI/DO (обновленный)](https://owen-russia.ru/wp-content/uploads/2022/08/plk110-30_m02-300x240.png)
