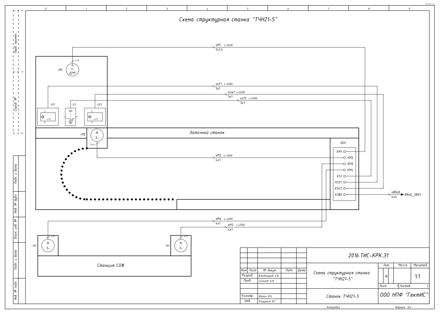
Станки применяются на предприятиях мебельной и деревообрабатывающей промышленности, модельных цехах машиностроительных заводов, строительных организациях. Станки моделей ТчН21 предназначены для заточки плоских ножей с прямолинейной режущей кромкой для фрезерования древесины.
Имеющаяся релейная схема развалилась и слишком часто требовала ремонта.
Нашими специалистами была предложена современная, но в то же время простая схема управления на оборудовании ОВЕН.
Состав системы:
- Элементы управления и индикации на двери ШУ (ПУ).
- Программируемое реле управления ОВЕН ПР110‐24.12Д.8Р и силовые контакторы.
- Счетчик задания для перемещения каретки ОВЕН СИ20‐У.Щ2.Р.
Это решение применимо и для других аналогичных станков.






