Задача: модернизация системы АСК ИТС.
Для выполнения поставленной задачи и реализации проекта были выбраны продукты ОВЕН:
- Программируемый контроллер ПЛК110-30-ТЛ.
- Модуль ввода аналоговых сигналов МВ110-8А.
В системе также используются:
- Автоматический преобразователь интерфейсов USB/RS-485 ОВЕН АС4-М.
- Клемма двухуровневая MTU.
- Розетка на DIN-рейку.
- Монтажные колодки PYF.
- Реле промежуточные RP.
В системе используются датчики температуры ОВЕН: ДТС075, ДТС075М, ДТС3015, ДТС3225.
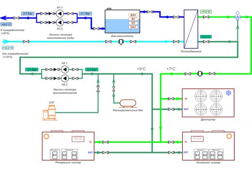
На базе данного оборудования разработан шкаф управления ШУ2 (АСК ИТС), который осуществляет сбор и регистрацию информации, полученной с датчиков температуры, давления, а также с клемм реле, дополнительных блоков реле промышленного оборудования.
Собранная информация передается на рабочее место диспетчера, где с помощью программы ОВЕН Телемеханика ЛАИТ осуществляется просмотр всех режимов работы. В случае возникновения аварийных ситуаций программа выдает звуковые предупреждения.







![ПЛК110 [М02] контроллер для средних систем автоматизации с DI/DO (обновленный)](https://owen-russia.ru/wp-content/uploads/2022/08/plk110-30_m02-300x240.png)





