В Одессе специалистами компании «Линия М» реализована комплексная система управления зданием гостиницы, охватывающая все инженерные системы, в том числе отопления, вентиляции и кондиционирования воздуха, освещения, распределения энергии и безопасности.
Система диспетчеризации имеет сложный разветвленный характер. Функциональная схема управления показана на рис. 1. На сервере и рабочих местах инженерной службы установлены MasterOPC Universal Modbus Server и MasterSCADA от ИнСАТ. Сбор данных осуществляется по протоколам Modbus TCP/RTU. Открытые протоколы обмена данными обеспечивают интеграцию функций управления и информационного взаимодействия в масштабах всего объекта.
Информация о состоянии всех систем распределяется на ресепшен, рабочие места диспетчера технической службы и главного инженера и выводится в виде визуально понятных символов в соответствующих окнах SCADA-системы.
Основу системы управления образуют приборы ОВЕН:
- программируемые контроллеры ПЛК110-60 (6 шт.);
- программируемые контроллеры ПЛК160 (2 шт.);
- модули ввода/вывода: МВ110-8А (4 шт.), МВ110-16Д (6 шт.), МВ110-8Р (6 шт.);
- датчики температуры ДТС3225-PT1000 (19 шт.), ДТС035-50М (4 шт.);
- датчики давления ПД100-ДИ6,0 (4 шт.);
- блоки питания БП60Б-Д4-24 (5 шт.).
Для управления фанкойлами используются пульты WITO, в вентиляционных установках – контроллеры Aeroclim, для фиксации протечек – датчики WSS «Гидроресурс».
Система обеспечивает управление
- освещением (рис. 2). Осуществляется управление фасадным освещением, освещением прилегающей территории и парковки, лестниц, коридоров и других общественных зон. Режимы: ручной, по расписанию, автоматический – в соответствии с показаниями датчика освещенности.
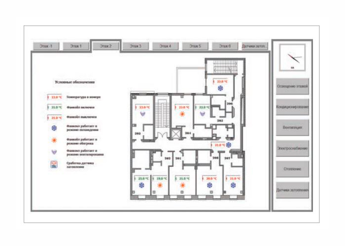
- климатом (рис. 3). Желаемая температура в комнате устанавливается с рисепшен при заселении гостя и отображается в окне управления SCADA-системы. Для управления вентиляторами и регулирующими клапанами теплоносителя используются контроллеры ОВЕН ПЛК110-60.
- вентиляцией (рис. 4). Управлять можно со щитов автоматики или дистанционном. В окне управления имеется возможность включения/отключения, задания уставок температуры, выбора режимов и сброса аварий. В SCADA-системе ведется журнал регистрации параметров и аварий.
- электроэнергией. Для оптимизации расходов система контролирует состояние АВР генератора и осуществляет технический учет потребления электроэнергии. Учет обеспечивают электросчетчики с импульсными выходами, подключенными к дискретным входам контроллера ОВЕН ПЛК110-60.
На базе оборудования ОВЕН также автоматизированы
- топочные и теплопункт. Щит автоматического управления топочными и тепловым пунктом реализован на базе контроллера ОВЕН ПЛК160 с модулями ввода аналоговых сигналов ОВЕН МВ110-8А. Окно управления теплопунктом показано на рис. 5.
- система снеготаяния и обогрева водостоков. С помощью модулей ОВЕН МВ110- 8Р и силовых контакторов осуществляется управление снеготаянием в автоматическом и ручном режимах.
- система водоснабжения и водоотведения. Управление насосами системы водоснабжения и КНС построено на базе модуля ОВЕН МВ110-16Д, сигналы с которого передаются в систему диспетчеризации и отображаются на АРМ инженерной службы.
- система безопасности. В систему безопасности включена пожарная сигнализация со щитом пожарных насосов. На случай прорыва труб или других нештатных ситуаций, связанных с протечкой воды, в каждом номере и в технологических помещениях установлены датчики протечки WSS, подключенные к модулям дискретных входов МВ110-16Д, которые передают сигналы в SCADA-систему. Сигнал выводится на ПК поверх всех окон с указанием места протечки на этаже.
Централизованное управление всеми подсистемами, доступ к оперативной и накопленной информации позволяют проводить аналитические мероприятия, улучшая эффективность управления объектом. В результате внедрения комплексной системы управления достигнуты оптимальные показатели жизнедеятельности здания, экономичная работа оборудования и снижение потребления энергоресурсов.
Полностью статью читайте в журнале АиП №1 2016 (46)








![ПЛК110 [М02] контроллер для средних систем автоматизации с DI/DO (обновленный)](https://owen-russia.ru/wp-content/uploads/2022/08/plk110-30_m02-300x240.png)
![ПЛК160 [М02] программируемый контроллер для средних систем](https://owen-russia.ru/wp-content/uploads/2022/02/plk160-m02-300x300.png)
