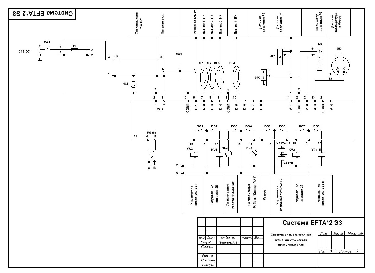
Для тестирования и отладки системы был разработан макет на базе программируемого реле с дисплеем ОВЕН ПР200.
Данная система предлагается для модернизации системы впрыска топлива в дизельных двигателях мобильного и стационарного применения.
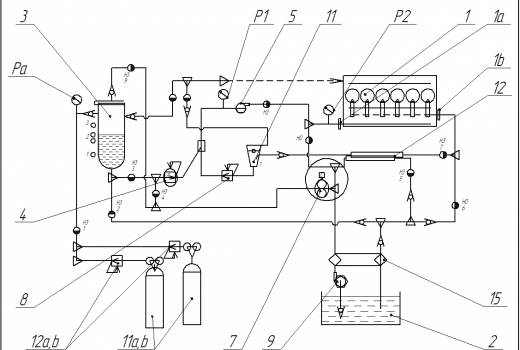
Суть нового технического решения состоит в том, что на начальной стадии подачи топлива вводятся дополнительные операции его подготовки (кондиционирования) с целью получения на конечной стадии при подаче в камеру сгорания эффективного распыления и оптимального распределения (расслоения) топлива в объёме камеры. Другой целью проведения операций кондиционирования является также устранение условий коалесценсии (слипания) микрокапель топлива после выхода из форсунки и исключение возможности образования пленки топлива на стенках камеры сгорания.
Поставленные цели достигаются путём перевода жидкого топлива на первых операциях кондиционирования в состояние ненасыщенного раствора «жидкость+газ» (при отсутствии свободной газовой фазы). В конечной стадии — подаче на сжигание — в процессе впрыска при высокоскоростном гидродинамическом разрыве дозы жидкого топлива форсункой происходит скачкообразное изменение главных физических параметров раствора газа в жидкости — давление падает, а температура поднимается.
Благодаря резкому изменению давления и температуры, капли распыленного форсункой топлива оказываются в состоянии гиперпересыщенного раствора «жидкость+газ». Новое состояние микрокапель топлива с растворённым газом приводит в действие реакцию цепного активного деления микрокапель жидкой фазы до уровня наночастиц. Цепное выделение растворённого газа исключает условия слипания микрокапель жидкости и образование пленки на стенках камеры сгорания. Поскольку данный процесс имеет цепной характер, и деление капель происходит непрерывно, то процесс деления в конечном результате может проходить до состояния «тумана», что значительно увеличивает поверхность контакта с окислителем.
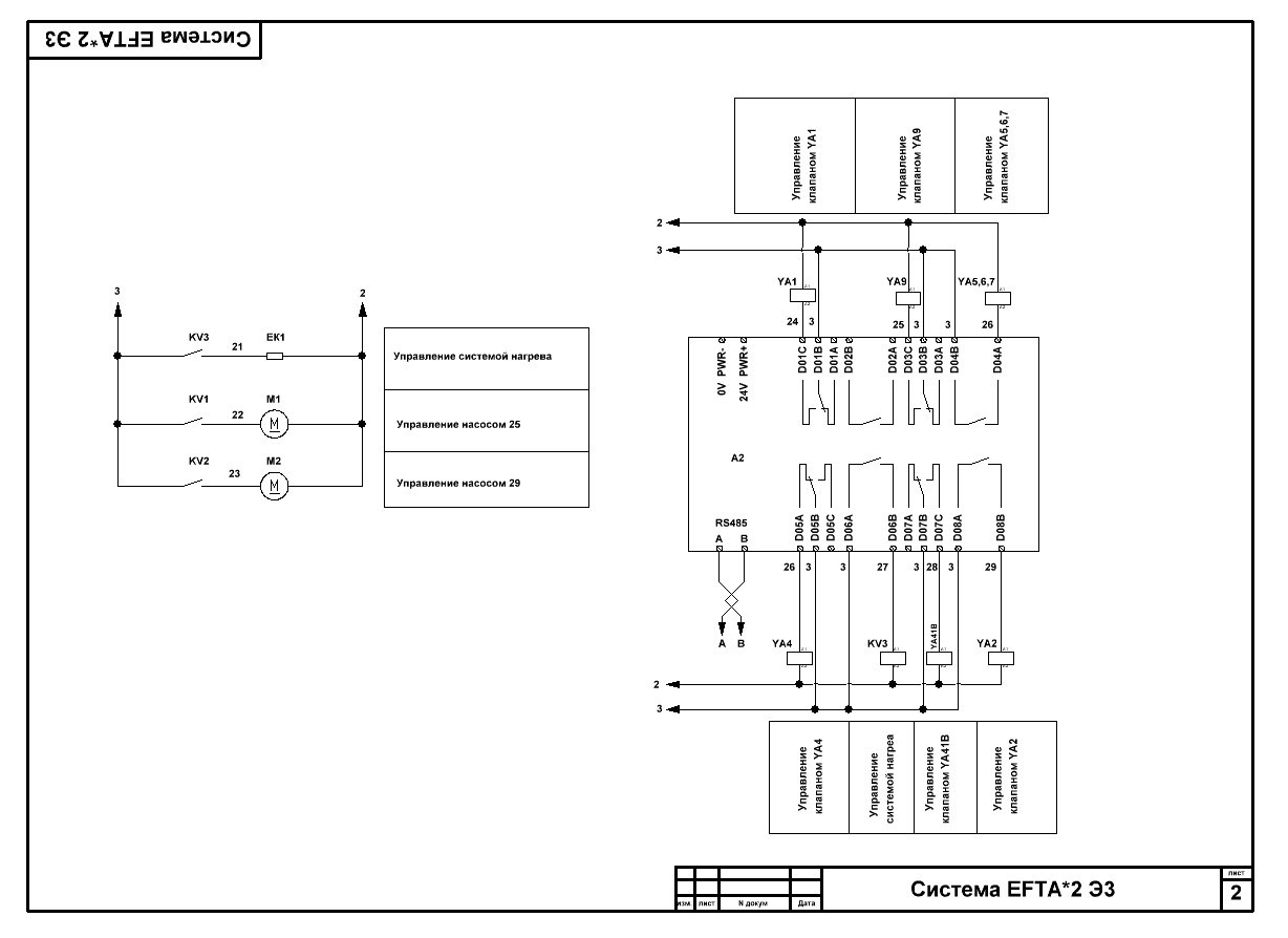
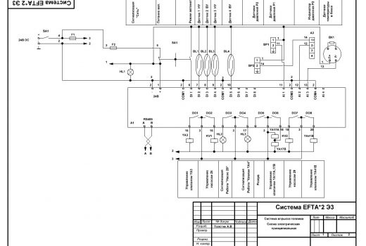
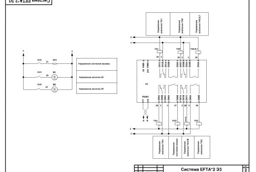
Используемое оборудование ОВЕН:
- Программируемое реле с дисплеем ОВЕН ПР200.
- Модуль дискретного вывода ОВЕН МУ110-8Р.
- Преобразователь давления измерительный ОВЕН ПД100 -ДИ-111.
- Датчик для измерения температуры воздуха ОВЕН ДТС125Л.
- Индикатор токовой петли ОВЕН ИТП-11.
- Переключатель MEYERTEC MTB2.
- Сигнальные лампы MEYERTEC MT22.
Датчики уровня, реле электромагнитные, клапаны 24ВV DC, насосы других производителей.
Отличительной особенностью данного технического решения является его полная совместимость с технологией и конструкцией применяемых на локомотивах традиционных систем подачи топлива.
Тестирование и отладка системы проводилась на территории полигона НТЦ «Республиканский полигон для испытаний мобильных машин» при участии общества с ограниченной возможностью «Спецагро» (г. Могилев) и российского ученого Гурина В.Н.







