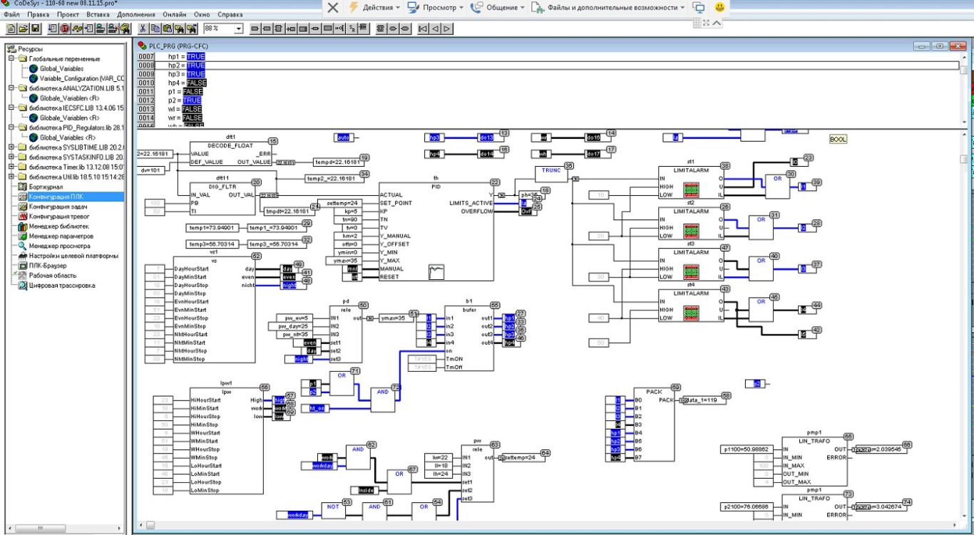
На базе оборудования ОВЕН разработана система управления отоплением коттеджа площадью 1000 м2. В основе проекта – программируемый логический контроллер ОВЕН ПЛК110. В системе также используются модули ввода аналоговых сигналов ОВЕН МВА8, датчики давления ОВЕН ПД100-ДИ, датчики температуры ОВЕН ДТС. Осуществляется управление тремя котлами мощностью по 48 кВт.
Система позволила настроить отбор мощности при ночном тарифе и поддержание заданной температуры в дневное время. Система контролирует температуру в помещении, обратку и подачу отопления. Организован АВР циркуляционных насосов, о качестве работы которых можно судить по показаниям датчиков давления. Система также включает функции управления освещением, подключены датчики протечек на 7 зонах, автоматическая запорная арматура на отходящих линиях водоснабжения.
Данное решение позволило сократить расходы на электроэнергию на 40 %. Дополнительно выведены данные из КТП с электросчетчика Меркурий.





![ПЛК110 [М02] контроллер для средних систем автоматизации с DI/DO (обновленный)](https://owen-russia.ru/wp-content/uploads/2022/08/plk110-30_m02-300x240.png)