Задача автоматизации
Модернизация системы управления станка ФТ-11.
Реализация проекта и выбор средств автоматизации
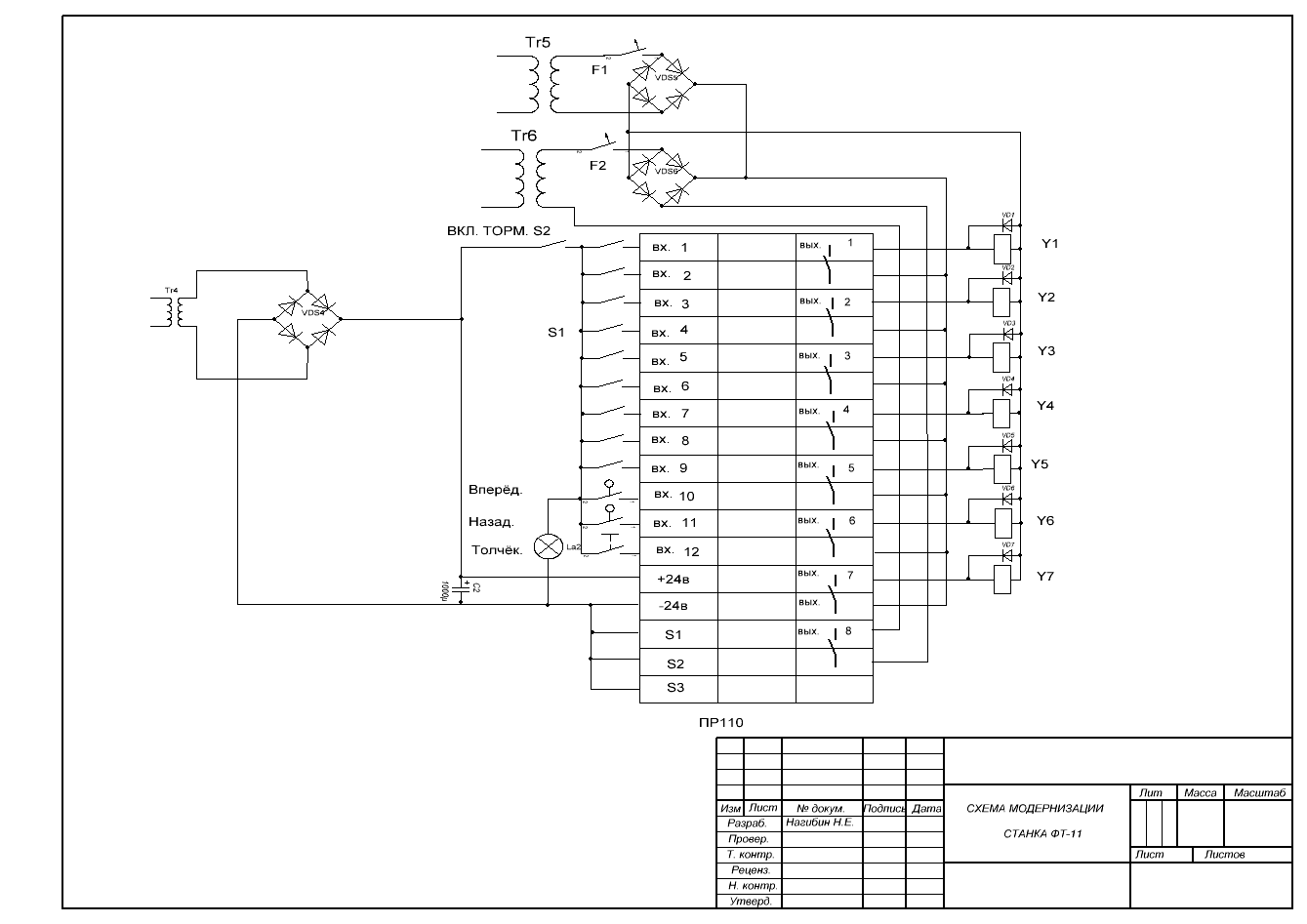
Станки ФТ-11 оснащены электронным блоком управления переключением муфт коробки скоростей. Блок управления выполнен на микросборках советского производства, давно отработавших свой ресурс. Схема была довольно сложная и навороченная, а блоки управления постоянно выходили из строя.
Модернизацией системы управления занимался ИП Нагибин Н.Е., имеющий богатый опыт в области автоматизации. При выборе средств автоматизации выбор пал на программируемое реле ОВЕН ПР110. Недорогое и простое в программировании устройство позволило реализовать алгоритм управления станком.
По мнению специалистов, замена устаревших компонентов автоматики на программируемое реле ОВЕН ПР110 – довольно неплохое решение, так как парк таких станков огромен.




