Задача автоматизации
Замена устаревшей штатной системы управления котла на новую с расширенными возможностями.
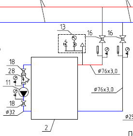
Основные функции:
- Поддержание температуры теплоносителя в котле по двум уставкам.
- Номинальный, сниженный и сниженный ночной режимы работы котла.
- Поддержание номинальной температуры теплоносителя на входе котла для защиты теплообменника.
- Ручное и автоматическое управление приводом подачи топлива и вентилятором.
- Ручное и автоматическое управление антиконденсационным насосом.
- Световая сигнализация и обработка аварийных сигналов:
- при превышении тока двигателя подачи топлива;
- при отсутствии давления теплоносителя в системе;
- при отсутствии циркуляции в системе.
- Защита котла от затухания при резких снижениях тепловой нагрузки.
- Индикация температуры тела котла, прямой и обратной температуры коллекторов.
- Возможность фиксированной смены мощности котла в диапазоне 50-100%.







