Система подогрева воды СПВ-001 предназначена для поддержания температуры вторичного теплоносителя (воды) в пастеризационно-охладительной установке (ПОУ) при проведении операций «Мойка», «Стерилизация», «Пастеризация».
Поддержание заданной температуры вторичного теплоносителя (воды) позволяет более точно поддерживать температуру продукта, воды и моющих средств в ПОУ. Поддержание температуры производится по трем программам «Мойка», «Стерилизация», «Пастеризация». Запуск программ может осуществляться как от внешних сигналов со шкафа управления ПОУ, так и с панели оператора шкафа СПВ-001. Приоритетом является выбор программы от внешних сигналов. Если есть один из сигналов из с шкафа управления ПОУ («Мойка», «Стерилизация», «Пастеризация»), то управление с панели оператора шкафа СПВ-001 игнорируется. Управление клапаном запорно-регулирующим осуществляется по ПИД-закону.
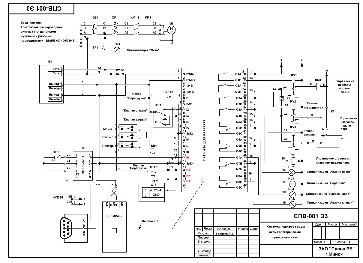
В состав шкафа управления входит следующее оборудование ОВЕН
- Программируемое реле ОВЕН ПР114.
- Модуль интерфейсный ОВЕН ПР-МИ485.
- Нормирующий преобразователь ОВЕН НПТ-1.
- Графическая панель оператора ОВЕН ИП320.
В системе также используются промежуточные реле общепромышленные KIPPRIBOR серии MR (в комплекте с монтажной колодкой), термосопротивления ОВЕН ДТС035, кнопки, лампы в металлическом исполнении IP65 MTB2-B.
Шкаф управления осуществляет следующие функции
- управление насосом подачи вторичного теплоносителя (воды);
- управление клапаном запорным;
- визуализацию фактической (текущей) температуры воды;
- визуализацию заданной температуры воды;
- визуализацию состояния клапана запорно-регулирующего;
- блокировку работы насоса подачи при перегрузке, при этом отключается запорно-регулирующий и запорный клапаны;
- закрытие клапанов подачи пара при превышении температуры воды Tавар. 0…100 °С с дискретностью 0,1 °С;
- обеспечивает ввод в память программируемого реле ОВЕН ПР114 не менее 3 программ для поддержания температуры с экрана панели оператора шкафа.









