Задача автоматизации
Замена автоматики управления и защиты двух паровых (ДКВР-20/13) и двух водогрейных котлов ПТВМ-30 на ОАО «Рославльский вагоноремонтный завод» (г. Рославль Смоленской области).
ОАО «Рославльский вагоноремонтный завод» на протяжении многих лет работает в сфере ремонта железнодорожного подвижного состава, нового вагоностроения, изготовления вагонных запасных частей и комплектующих. Основанный в 1868 году сегодня Рославльский ВРЗ по праву считается одним из лидеров среди предприятий железнодорожной отрасли.
Для реализации и внедрения проекта по разработке автоматики котлов была привлечена компания «Центромонтажавтоматика» (г. Смоленск).
К новой автоматике котлов были выдвинуты следующие условия:
- Привязать новую автоматику к ранее установленным блокам контроля герметичности газовых клапанов БКГ;
- Полностью автоматизировать розжиг растопочной группы горелок котлов ПТВМ-30;
- Привязать новую автоматику к существующим частотным приводам, управляющих дымососами и дутьевыми вентиляторами;
- Сделать автоматику максимально понятной для обслуживающего персонала.
Реализация проекта
Для управления и защиты котлов ПТВМ-30 и ДКВР-20/13 были разработаны щиты автоматики на базе приборов двух фирм-производителей: ОВЕН и МЗТА. По желанию заказчика, на базе приборов МЗТА в автоматике котлов были реализованы следующие функции:
Для котлов ПТВМ-30:
- Регулятор соотношения газ/воздух
- Регулятор разряжения в топке
- Регулятор давления газа
- Контроль пламени горелок
Для котлов ДКВР-20/13:
- Регулятор соотношения газ/воздух
- Регулятор разряжения в топке
- Регулятор давления газа
- Регулятор уровня воды в барабане котла
- Контроль пламени горелок
Основное же управление системой было организовано с применением оборудования ОВЕН. По мнению разработчиков, получился довольно неплохой симбиоз для реализации данной задачи. На базе приборов компании ОВЕН, а именно: с применением программируемого логического контроллера ПЛК100, были реализованы следующие функции:
Для котлов ПТВМ-30:
- Автоматическое выполнение строго определенной последовательности розжига котла (вентиляция топки, запуск программы контроля герметичности газовых клапанов, продувка газопровода, проверка исправности защит, розжиг запальника и первой горелки растопочной группы по команде оператора, розжиг запальника и второй горелки растопочной группы по команде оператора, розжиг последующих горелок по необходимости, прогрев котла, работа котла).
- Подключение по этапам необходимого набора защит.
- Диагностика исправности автоматики безопасности.
- Запоминание первопричины аварии котла.
- Диагностика исправности регуляторов, модулей ввода/вывода и программируемого логического контроллера ПЛК, управляющего автоматикой котла.
- Контроль необходимого количества включенных горелок для текущей нагрузки котла.
- Электронный самописец требуемых параметров котла на ПК оператора.
Для котлов ДКВР-20/13:
- Автоматическое выполнение строго определенной последовательности розжига котла (вентиляция топки, запуск программы контроля герметичности газовых клапанов, продувка газопровода, проверка исправности защит, розжиг запальника и первой из двух нижних горелок по команде оператора, розжиг запальника и второй из двух нижних горелок по команде оператора, розжиг верхней горелки по необходимости, прогрев котла, работа котла).
- Подключение по этапам необходимого набора защит.
- Диагностика исправности автоматики безопасности.
- Запоминание первопричины аварии котла.
- Диагностика исправности регуляторов, модулей ввода/вывода и программируемого логического контроллера ПЛК, управляющего автоматикой котла.
- Электронный самописец требуемых параметров котла на ПК.
Также использовались температурные датчики типа дТС и преобразователи давления ПД100 компании ОВЕН.
В качестве измерителей разряжения в топке котла, давления воздуха и газа использовались измерители типа АДР и АДН от КБ «Агава»
Для измерения перепада давления на измерительных диафрагмах, а так же уровня воды в барабанах котлов ДКВР использовались преобразователи давления Сапфир-22МТ завода «Манометр».
Для регистрации требуемых параметров котлов были применены два модуля ввода аналоговых сигнала МВА8, работающих от того же источника бесперебойного питания, что и ПК оператора. По линии RS-485 через адаптер интерфейсов АС3-М измеряемые параметры передаются на ПК оператора, на котором установлена SCADA-система Simp Light.
С помощью модулей МВА8 контролируются и фиксируются SCADA-системой следующие параметры:
1. Температура воды котлов ПТВМ-30
2. Давление воды котлов ПТВМ-30
3. Давление газа котлов ПТВМ-30
4. Расход воды котлов ПТВМ-30 (методом переменного перепада давления на диафрагме с последующим вычислением в SCADA-системе)
5. Уровень воды в барабане котлов ДКВР
6. Давление пара котлов ДКВР
7. Температура пара котлов ДКВР
8. Расход пара котлов ДКВР (методом переменного перепада давления на диафрагме с последующим вычислением в SCADA-системе)
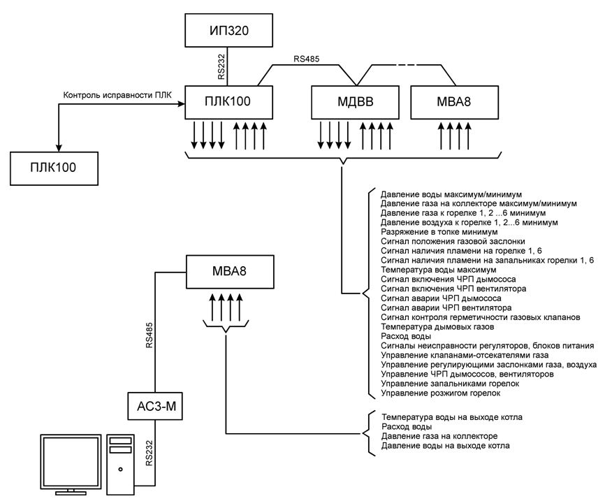
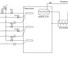
Щит управления котлом ПТВМ-30
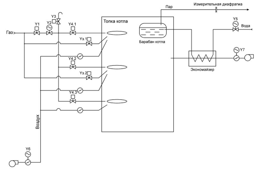
Из схемы видно, что на котле имеется 6 горелок. Каждая из них оборудована отсечным клапаном (Y4.1 – Y4.6). На растопочных горелках дополнительно после отсечных клапанов установлены краны, оборудованные исполнительными механизмами МЭО (Y5.1 и Y5.6). Также на растопочных горелках установлены отсечные газовые клапаны запальников (Yз.1 и Yз.2).
В соответствии с требованиями безопасности последовательно с группой горелок установлен дополнительный газовый отсечной клапан Y1 и свеча безопасности Y3. Для регулирования подачи газа установлена электрифицированная заслонка Y2.
Для подачи воздуха используются два вентилятора (основной и резервный) оборудованных частотными приводами. Так же после каждого из вентиляторов имеются регулируемые воздушные заслонки (Y6.1 и Y6.2). На растопочных горелках воздушные шиберы оборудованы МЭО (Y7.1 и Y7.6).
Для удаления продуктов сгорания так же используется два дымососа (основной и резервный) оборудованных частотными приводами и заслонками (Y8.1 и Y8.2).
В общем виде функциональная схема щита управления котла ПТВМ-30 выглядит следующим образом.
Щит управления котлом ПТВМ-30 выполняет следующие основные функции:
- Осуществляет выполнение строго определенной последовательности предпусковых операций котла (запуск вентиляторов, дымососов, проверка герметичности газовых клапанов, продувка газового тракта, вентиляция топки котла);
- Автоматический плавный розжиг горелок растопочной группы;
- Поддержание заданного разрежения в топке котла;
- Регулирование подачи газа в зависимости от изменяющейся нагрузки котла;
- Регулирование соотношения газ/воздух;
- Прогрев котла малым пламенем в течение заданного времени;
- Контроль оптимального количества включенных горелок котла для данной нагрузки;
- Контроль исправности защит котла перед пуском;
- Контроль исправности регуляторов котла;
- Контроль исправности модулей ввода/вывода;
- Контроль исправности ПЛК;
- Сервисная и аварийная сигнализация;
- Возможность как автоматического так ручного управления регуляторами котла;
- Возможность как местной, так и дистанционной принудительной остановки котла оператором при возникновении аварийной ситуации;
- Контроль аварийных параметров котла с последующей его остановкой.
Автоматикой котла ПТВМ-30 контролируются следующие аварийные параметры:
- Давление воды (максимум/минимум)
- Герметичность газовых отсечных клапанов
- Температура воды (максимум)
- Отсутствие пламени горелок 1 и 6
- Отсутствие пламени запальников 1 и 6
- Авария частотных приводов дымососов и вентиляторов
- Авария регуляторов газа, разряжения в топке, соотношения газ/воздух
- Давление газа на общем коллекторе (минимум/максимум)
- Давление газа на горелках 1 – 6 (минимум)
- Разряжение в топке (минимум)
- Давление воздуха на коллекторе (минимум)
- Давление воздуха на горелках 1 – 6 (минимум)
- Неисправность основного блока питания защит
- Отключение блока контроля исправности ПЛК
- Проток воды через котел (минимум)
- Авария модулей ввода/вывода
- Авария датчика температуры дымовых газов
- Авария датчика расхода воды
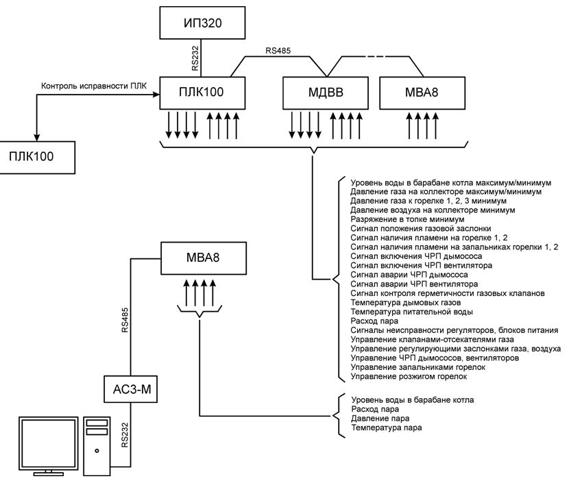
Щит управления котлом ДКВР
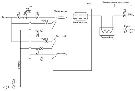
Из схемы видно, что на котле имеется 3 горелки. Каждая из них оборудована отсечным клапаном (Y4.1 – Y4.3). Так же на растопочных горелках установлены отсечные газовые клапаны запальников (Yз.1 и Yз.2).
В соответствие с требованиями безопасности последовательно с группой горелок установлен дополнительный газовый отсечной клапан Y1 и свеча безопасности Y3. Для регулирования подачи газа установлена электрифицированная заслонка Y2.
Для подачи воздуха используются один вентилятор, оборудованный частотным приводом. После вентилятора имеется регулируемая воздушная заслонка (Y6).
Для удаления продуктов сгорания используется дымосос, оборудованный частотным приводом и заслонкой (Y7).
В отличие от котлов ПТВМ-30 полного автоматического розжига растопочных горелок заказчику не требовалось, поэтому установка газовых кранов, оборудованных исполнительными механизмами МЭО, перед растопочными горелками, а также установка МЭО на воздушные заслонки не производилось.
В общем виде функциональная схема щита управления ДКВР выглядит следующим образом.
Щит управления котлом ДКВР выполняет следующие основные функции:
- Осуществляет выполнение строго определенной последовательности предпусковых операций котла (запуск вентиляторов, дымососов, проверка герметичности газовых клапанов, продувка газового тракта, вентиляция топки котла).
- Полуавтоматический розжиг горелок растопочной группы.
- Поддержание заданного разрежения в топке котла.
- Регулирование подачи газа в зависимости от изменяющейся нагрузки котла.
- Регулирование соотношения газ/воздух.
- Регулирование уровня воды в барабане котла.
- Прогрев котла малым пламенем в течение заданного времени.
- Контроль оптимального количества включенных горелок котла для данной нагрузки.
- Контроль исправности защит котла перед пуском.
- Контроль исправности регуляторов котла.
- Контроль исправности модулей ввода/вывода.
- Контроль исправности ПЛК.
- Сервисная и аварийная сигнализация.
- Возможность как автоматического так ручного управления регуляторами котла.
- Возможность как местной, так и дистанционной принудительной остановки котла оператором при возникновении аварийной ситуации.
- Контроль аварийных параметров котла с последующей его остановкой.
Спецификация оборудования ОВЕН
- Программируемый логический контроллер ПЛК100
- Модули ввода аналоговых сигналов МВА8
- Модули ввода-вывода дискретных сигналов МДВВ
- Панель оператора ИП320
- Адаптер интерфейсов АС3-М
- Температурные датчики типа ДТС
- Преобразователи давления ПД100
Оборудование других производителей
МЗТА
Результат автоматизации
- В результате внедрения проекта была получена система автоматики водогрейных и паровых котлов, удовлетворяющая всем требованиям их безопасной эксплуатации.
- Новая автоматика позволяет минимизировать участие оператора и эксплуатирующего персонала в розжиге и дальнейшей эксплуатации котлов.
- Исключена возможность обойти какой-либо этап розжига котлов.
- Контроль исправности защит и блоков автоматики также исключает возможность эксплуатации котлов при их неисправности.
- Наличие ручного режима управления регуляторами котлов добавляет гибкости к их эксплуатации.
- Применение отдельных модулей ввода аналоговых сигналов МВА8 с подключением их к ПК оператора вместо традиционных бумажных самописцев позволили не только снизить затраты на реализацию данной задачи, но и осуществлять хранение и представление полученной информацию в гораздо более удобном виде.
- Реализованная автоматика на базе программируемых логических контроллеров (ПЛК) позволяет в будущем без каких-либо серьезных технических изменений перевести на полное управление с ПК оператора.








