Объект автоматизации: ПНС-2, ТГК-14 (г. Чита). В Чите, как и во многих других городах, все большее внедрение получают системы погодозависимого регулирования теплоснабжения зданий. Установка систем автоматики позволяет сэкономить значительную часть тепловой энергии, затрачиваемой на отопление и подогрев ГВС. Обратной стороной этого процесса является динамический режим тепловой сети. Расход теплоносителя, потребляемого каждым отдельным зданием, в таком режиме отныне не является величиной постоянной, а может изменяться в зависимости от температуры наружного воздуха, нахождения людей внутри и разбора горячей воды.
Устойчивая работа автоматики зданий невозможна без стабильности давления в магистральных трубопроводах вне зависимости от расхода воды. И чем больше таких потребителей подключено к магистрали, тем ответственнее задача по регулированию давления в ней. Именно такая задача стояла при реализации проекта реконструкции повысительной насосной станции №2 в г. Чите.
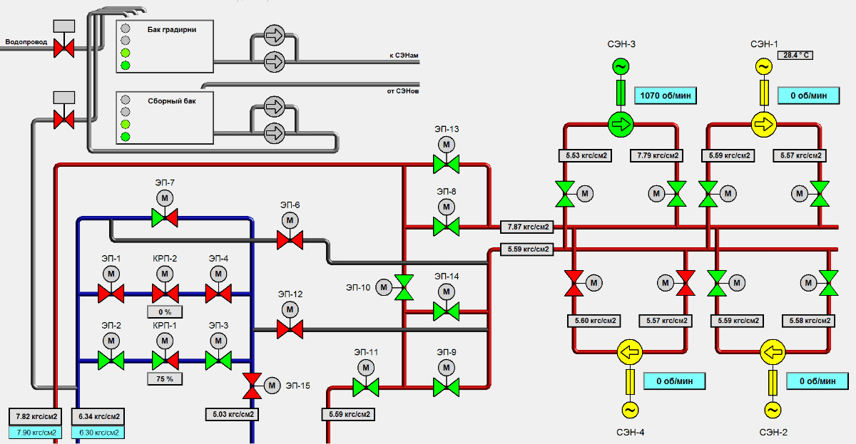
Магистраль теплоснабжения состоит из двух трубопроводов – подающего и обратного. Таким образом, мы имеем два значения давления теплоносителя в них. Регулятор, управляющий насосной станцией, должен поддерживать устойчивый режим работы сети при разных значениях расхода.
Архитектура системы
Система автоматизации ПНС-2 состоит из трех шкафов управления, автоматизированного рабочего места оператора и удаленного компьютера диспетчера. В качестве управляемых устройств используются:
- частотные регуляторы сетевых насосов (6 кВ) – 4 шт.
- электроприводы регулирующих клапанов – 2 шт.
- насосы системы охлаждения подшипников – 4 шт.
- электроприводы запорной арматуры – 20 шт.
Для измерения параметров технологического процесса установлено:
- датчики избыточного давления – 39 шт.
- датчики температуры подшипников – 16 шт.
- ультразвуковые расходомеры – 2 шт.
Основу системы управления образуют приборы ОВЕН:
- программируемый контроллер ПЛК110;
- модули аналогового ввода МВ110-8А, МВ110-8АС;
- модули дискретного ввода/вывода МВ110-16ДФ, МВ110-8Д4Р, МК110-4К4Р;
- панель управления СП307;
- источники питания БП15;
- автоматический преобразователь АС3 RS-232/RS-485.
Управление системой осуществляется контроллером ПЛК110. Устройство имеет два интерфейса RS-485, два интерфейса RS-232 и один Ethernet. Для обеспечения надежности приборы с цифровым каналом опроса разделены на три подсети. В одной находятся частотные регуляторы, во второй – запорная арматура насосных агрегатов и регулирующие клапаны, в третьей – запорная арматура коллекторов и вспомогательные механизмы. Местное управление процессом регулирования осуществляется при помощи сенсорной панели оператора СП307. Средствами разработки проекта СП307 достигнута максимальная схожесть окон управления на панели и окон управления в программе MasterSCADA.
Для увеличения надежности системы в опорных точках измерения установлено по три датчика давления. При регулировании за измеренное значение принимается арифметическое усреднение трех показаний. При различающихся показаниях генерируется аварийное сообщение. Максимально допустимое отклонение от среднего настраивается при эксплуатации.
Алгоритм регулирования
Так как в магистрали два трубопровода, реализована схема с двумя регуляторами давления в контроллере ПЛК 110. Один из них управляя частотой вращения сетевых насосов поддерживает давление в подающем трубопроводе магистрали. Второй – открытием и закрытием регулирующих клапанов регулирует давление в обратном трубопроводе. Стоит отметить, что применяемые сетевые насосы имеют разную производительность. Для выравнивания гидравлических характеристик давление после каждого насоса регулируется отдельно от остальных с поправкой на гидравлические потери в местных сопротивлениях ПНС.
Также реализовано управление системой охлаждения подшипников. Система, опираясь на показания кондуктометрических датчиков, поддерживает уровень воды в баках градирни. При достижении нижнего уровня в напорном баке запускается насос для перекачки и охлаждающий вентилятор.
SCADA-система
Разработанная инженерами оригинальная SCADA-система позволяет оператору оперативно отслеживать параметры теплоносителя на входе и выходе из ПНС. Для простоты и наглядности системы конфигурация трубопроводов на мнемосхеме повторяет расположение труб в ПНС.
SCADA-система считывает показания с теплосчетчика, установленного на выходе из ПНС и отображает на экране значения измеренного расхода, температуры теплоносителя и мощности потребляемой по магистрали. Также SCADA-система установлена на АРМ диспетчера для возможности управления системой при внештатных и аварийных режимах.
Энергоэффективность и технологичность
Суммарная мощность установленных насосных агрегатов ПНС превышает 1 МВт. Экономия от такой большой величины служит существенным стимулом для продолжения внедрений автоматики в регулировании режимов сети.
Ранее регулирование режима работы осуществлялось путем дросселирования давления на запорной арматуре насосов, что приводило к износу арматуры. Данный способ не позволял снизить потребляемую мощность насосного агрегата ниже 60% от номинальной при условии снижении расхода через ПНС. Ранняя весна – время активной работы погодозависимых регуляторов отопления зданий, в это время частотный регулятор снижает обороты электродвигателей насосов на 30 %. Фактическая потребляемая мощность (включая потери в частотном регуляторе) в таком режиме составляет 30 – 50 % от номинальной. Но в данном случае экономичность системы не является главным достижением. Колебания давления в коллекторах трубопроводов ПНС при работе в автоматическом режиме составляет 0,07 кгс/см2, что обеспечивает стабильный режим работы отопления десятков зданий, подключенных к данной магистрали.










![ПЛК110 [М02] контроллер для средних систем автоматизации с DI/DO (обновленный)](https://owen-russia.ru/wp-content/uploads/2022/08/plk110-30_m02-300x240.png)