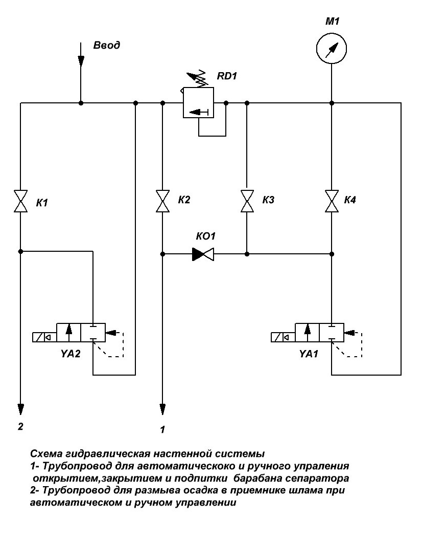
Система состоит из гидравлической системы и шкафа управления.
Гидравлическая система используется совместно с ценробежным сепаратором и предназначена для подачи воды для подпитки барабана сепаратора,выгрузка осадка из барабана сепаратора,а также для промывки приемника овадка в ручном и автоматическом режимах управления сепараторм.
Шкаф управления предназначен для управления приводом и автоматического управления циклом работы (по времени) гидравлической системы саморазгружающегося сепаратора с частичной выгрузкой осадка при непрерывном процессе сепарирования и безразборной промывке барабана,обеспечивая автоматическое управление электромагнитными клапанами на линиях подачи буферной воды и размывной воды при осуществлении процесса разгрузки.
Настенная гидравлическая система,шкаф управления крашенный (полимерное покрытие) яввлюется системой «эконом класса» и выпускается серийно.
По заказу возможно изготовление гидравлической системы в напольном исполнении из нержавеющей стали марок AISI 304 или AISI 316. Шкафы управления в корпусе Rittal или аналогичном из нержавеющей стали.




