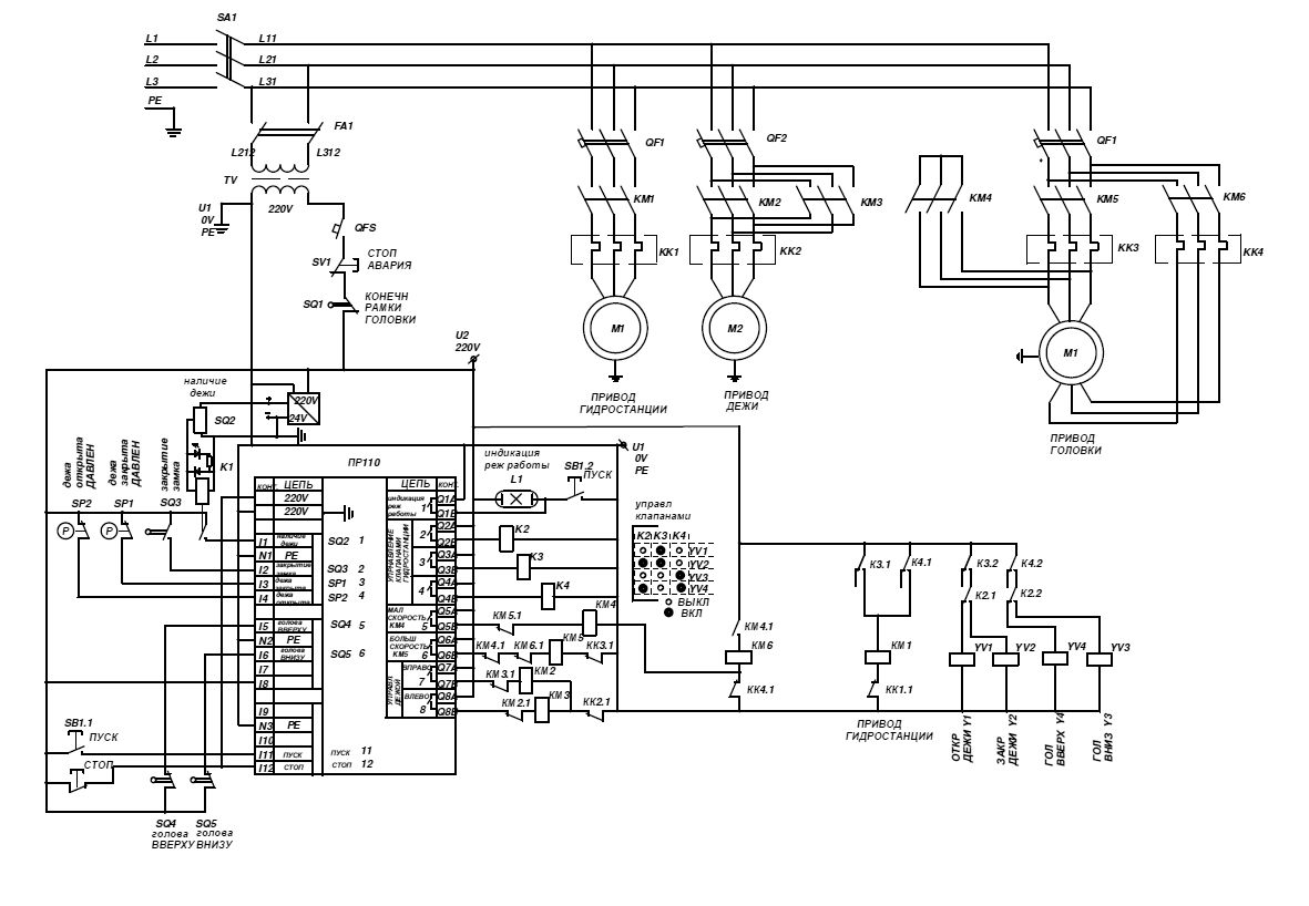
На хлебозаводе в г. Херсоне из-за разукомплектования оборудования потребовалась модернизация системы управления тестомесительной машины. Проект был реализован на базе программируемого реле ОВЕН ПР110. Доступное и интуитивно понятное программирование в среде OwenLogic позволило реализовать все функции управления тестомесительной машины:
- рабочий цикл;
- домес медленный;
- домес быстрый.
Осуществляется индикация режимов работы на «неонке» (постоянное свечение, с частотой 1 сек, с частотой 0,5 сек), управление осуществляется одной кнопкой, нажатие 1, 2, 3 раза – выбор режима работы.




