Задача автоматизации
Разработка системы управления водоснабжением жилого загородного дома из артезианской скважины, в которую уже был установлен погружной насос. При этом у заказчика имелись две насосные станции с накопительными мембранными баками и со встроенной автоматикой, поддерживающей на выходе определенное давление.
Реализация проекта и выбор средств автоматизации
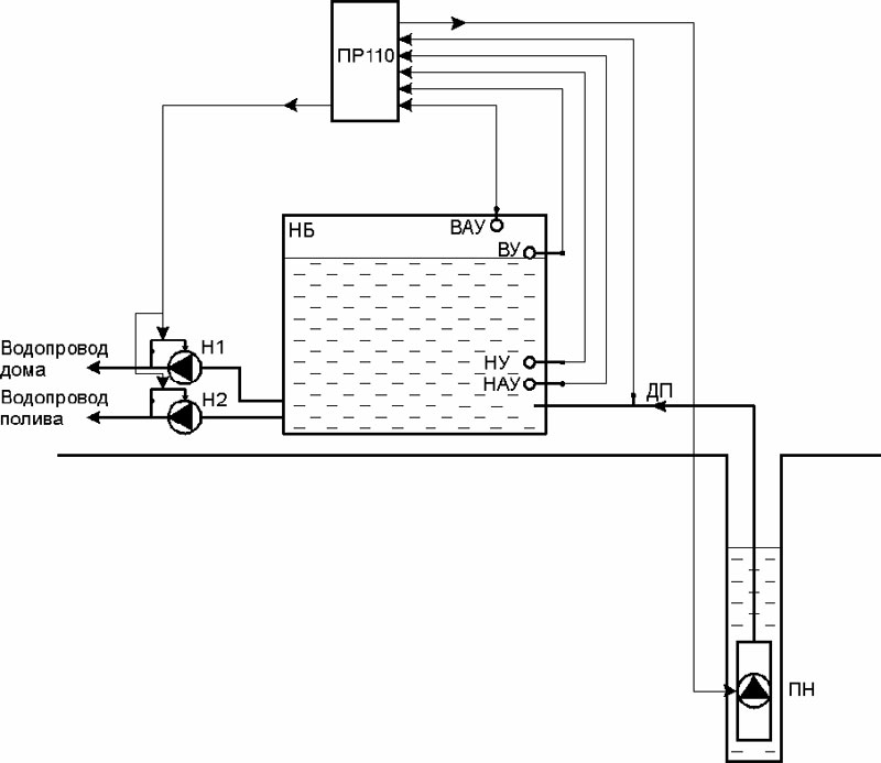
Компания «Центромонтажавтоматика» разработала щит управления водоснабжением жилого загородного дома из артезианской скважины. В качестве основного элементасистемы автоматизации стало программируемое реле ОВЕН ПР110. Программируемое реле ПР110 заменило ранее используемую релейную схему защиты и управления.
Погружной насос ПН работает на линию водопровода через шкаф управления ШУ по показаниям датчика давления ДД. Для исключения частых пусков и остановок погружного насоса, а также сглаживания давления воды в системе устанавливается мембранный бак МБ. Если производительность скважины меньше потребления воды, то следует дополнительно устанавливать или датчики уровня в скважине или датчик протока в трубопроводе.
Такая классическая схема проста в монтаже, дешева, а также проста в обслуживании. Однако после обследования объекта и имеющегося оборудования выяснилось следующее:
- Имеющийся погружной насос в номинальном режиме создает напор в30 м. При этом глубина скважины составляет22 м. Оставшегося давления (менее 0,7 – 0,8 кгс/см²) явно не достаточно для нормального водоснабжения дома.
- Дебет скважины в летний период составляет около0,8 м³, после выкачивания данного объема требуется около 10 мин времени для восстановления уровня воды в скважине.
Предложение по замене погружного насоса на более мощный было отклонено, т.к. заказчик изначально рассчитывал на применение последовательно с погружным насосом насосной станции. Кроме того, низкая стоимость и широкая распространенность имеющегося погружного насоса позволяла в течение 2 – 3 часов заменить его в случае поломки. Использование мембранного накопительного бака МБ также исключилось, т.к. создавало дополнительную нагрузку на погружной насос.
Описание автоматизированной системы водоснабжения дома
Исходя из поставленной задачи, а также из некоторых пожеланий заказчика была принята следующая система водоснабжения дома: см. рис. 2.
Насос из скважины закачивает воду в открытую промежуточную накопительную ёмкость, располагающуюся в подвале жилого дома, из которой одна насосная станция Н1 качает воду на дом, а вторая Н2 – на полив и технические нужды. Причем отбор воды для насосной станции полива располагается у самого дна накопительной емкости НБ. Это позволяет удалять накапливаемый на дне накопительной емкости НБ в процессе работы системы водоснабжения ил, а также просто позволяет опорожнять емкость в случае необходимости. Отбор же воды на водоснабжение дома берется на расстоянии около100 ммот дна. Также на линии водоснабжения дома установлен фильтр.
Система водоснабжения жилого дома получилась довольно-таки сложной, требующей соответствующей автоматики защиты и управления.
Для защиты от сухого хода погружного насоса ПН на выходе установлен датчик протока ДП. При получении сигнала на запуск погружного насоса ПН требуется через 3 – 5 секунд после старта включать контроль состояния датчика протока ДП. Если по истечении этого времени датчик протока ДП не размыкает свои контакты, то система отключается на время около 10 мин. (время заполнения скважины), после чего процесс запускается заново. Если же процесс сразу запустился удачно, и по истечении определенного времени скважина осушилась, то датчик протока замкнет свои контакты, и через 3 – 5 секунд система отключается также на 10 минут для заполнения скважины.
Сигналы управления погружным насосом ПН поступают от датчиков верхнего и нижнего уровней (ВУ и НУ). Т.е. при замыкании датчика нижнего уровня НУ запускается погружной насос ПН. После заполнения емкости и размыкания датчика верхнего уровня ВУ погружной насос ПН отключается. Для защиты от возможного перелива емкости при выходе из строя датчика верхнего уровня устанавливается датчик верхнего аварийного уровня ВАУ. При срабатывании датчика верхнего аварийного уровня ВАУ происходит отключение погружного насоса ПН. При этом после того, как уровень воды начнет падать, и датчик верхнего аварийного уровня разомкнется по истечении 3 минут (время осушения накопительной емкости при одновременно включенных обеих насосных станциях), погружной насос ПН вновь включится. Т.е. система как бы переходит на работу от датчика верхнего аварийного уровня с работой по уставке времени.
Для защиты насосных станций от сухого хода в накопительной емкости НБ установлен датчик нижнего аварийного уровня НАУ, при срабатывании которого блокируется их работа.
При срабатывании датчиков аварийного верхнего ВАУ и аварийного нижнего НАУ уровней выдается прерывистый звуковой сигнал.
В качестве датчиков верхнего уровня (ВУ), нижнего уровня (НУ) и нижнего аварийного уровня (НАУ) можно применить поплавковые датчики уровня типа ОВЕН ПДУ-1.1.
Предусмотрен также и ручной режим управления системой.
Реализовать схему управления представленной системы водоснабжения жилого дома можно было также на базе промежуточных реле и реле времени. Изначально щит управления системой водоснабжения жилого дома был изготовлен именно на релейной схеме. Но после очередного выхода из строя одного из реле времени было принято решение исключить из схемы все реле времени и промежуточные реле с заменой их одним программируемым реле ПР110.
Выгода за счет применения программируемого реле ПР110:
- Компактность и простота схемы.
- Удешевление схемы щита управления (одно программируемое реле ПР110 за 1750 руб. заменило в нашем случае три реле времени по 800 руб. каждое, одну пневматическую приставку времени за 230 руб. и три промежуточных реле по 200 руб. каждое).
- Универсальность схемы (для того чтобы подобрать тип реле времени с соответствующей выдержкой времени приходилось проводить предварительные эксперименты, причем некоторые моменты выяснялись по истечении 6 месяцев эксплуатации системы; при этом программируемое реле ПР110 является универсальным и подходит для любых систем).
- Гибкость схемы управления (во время работы системы два раза менялась логика её работы – обошлось без каких-либо перекоммутаций).





