Описание проекта
На базе оборудования ОВЕН наш партнер ИП Агапов (г. Екатеринбург) разработал комплект автоматики АРС-3 (автоматический регулятор сушки древесины третьего поколения). Под ее управлением работает более 80 сушильных камер в России, Белоруссии, Азербайджане.
Задача проекта
Перед партнером стояла задача разработать технологию сушки древесины, которая:
- повышает качество высушенного материала;
- экономит около 50% электроэнергии на приводе вентиляторов;
- экономит примерно 43% тепловой энергии;
- не требует установки датчиков в штабели древесины;
- не требует системы увлажнения в камере;
- не требует высокой квалификации оператора сушки;
- проста в использовании;
- позволяет сушить пиломатериалы разной толщины — от узкого до целого бруса.
Реализация проекта
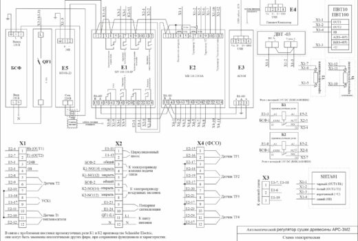
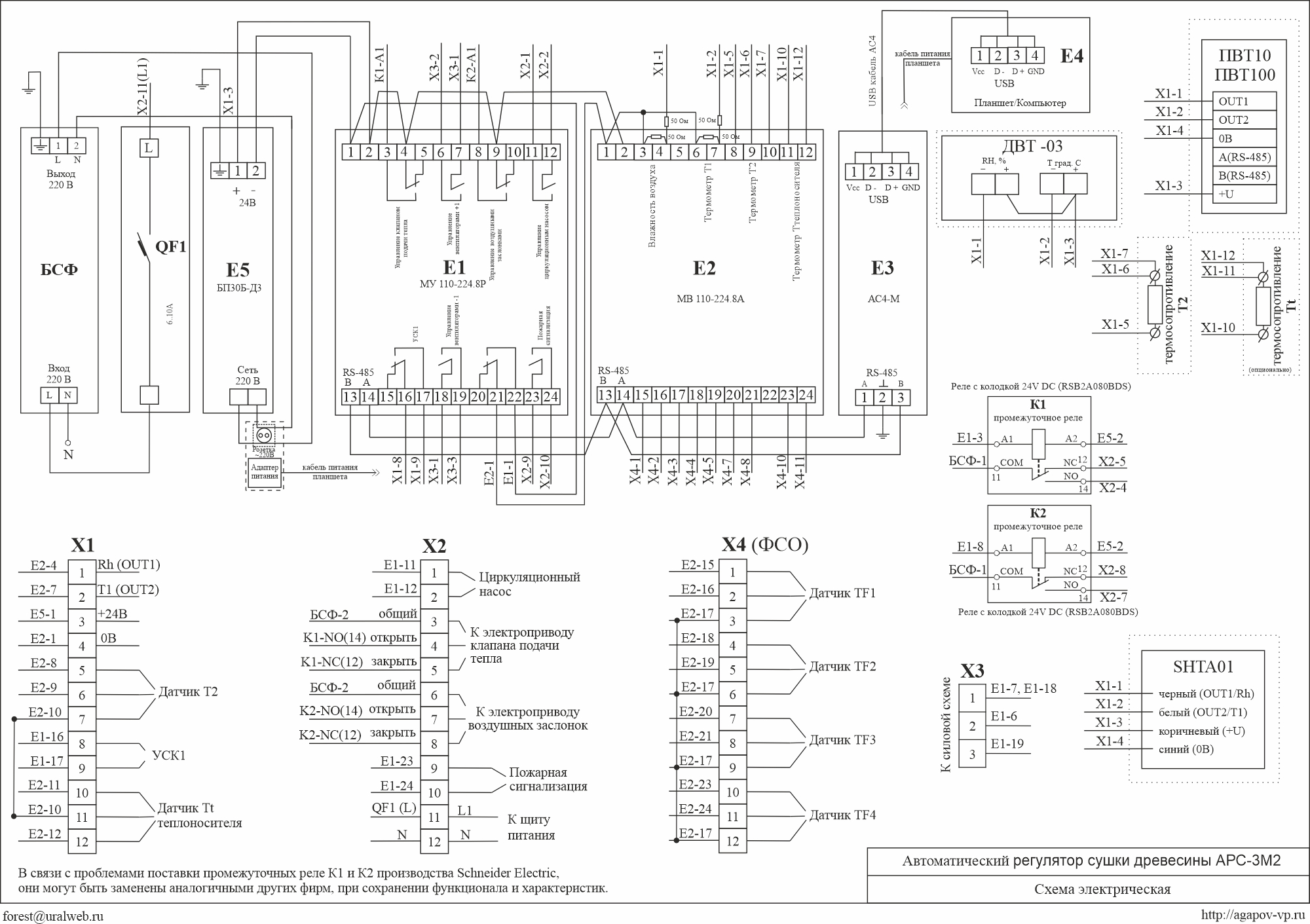
С 2016 года ИП Агапов начал выпускать автоматический регулятор сушки древесины третьего поколения (АРС-3).
Это интеллектуальный прибор с дополнительными сервисными возможностями:
- 10-сенсорный дисплей;
- сохранение и графическое отображение данных работы камеры;
- возможность подключения электронных датчиков, регистрирующих относительную влажность воздуха в камере;
- усовершенствованное программное обеспечение прибора;
- возможность дистанционного управления сушильной камерой из любой точки мира.
Результат автоматизации
Более 40 лет лаборатория сушки пиломатериалов института «УралНИИПДрев» проводила исследования, на основе которых были созданы оригинальные элементы технологии сушки и конструкций сушильных установок с естественной и принудительной циркуляцией воздуха, с обогревом воздуха паром, горячей водой или топочными газами (горячим воздухом). Из созданных элементов сложилась технология сушки, которая, по сравнению со стандартной технологией, до двух раз снижает затраты энергоресурсов и обеспечивает высокое качество высушенных пиломатериалов.
Разработанные технология и автоматический регулятор пригодны к применению как в сушильных камерах периодического действия, так и в сушильных туннелях непрерывного действия. Технология может быть реализована на базе существующей сушильной камеры путем небольшой модернизации, а также на вновь проектируемой камере. Благодаря применению преимущественно отечественных электронных модулей сокращаются время и стоимость сервисного обслуживания и ремонта контроллера.
Мнение партнера
Антон Агапов, индивидуальный предприниматель (ИП Агапов А.В.)
— ОВЕН – крупный отечественный производитель электронных компонентов, который обеспечивает хорошую техническую поддержку и рабочие отношения с дилером ОВЕН-Урал в нашем регионе. При этом продукция ОВЕН имеет приемлемую цену, быстрый срок доставки и, чаще всего, все необходимое есть на складе.









