Техпроцесс
Компанией НПФ «Техсервис» (г. Пермь) разработана система управления прессом для уплотнения твердых бытовых отходов (ТБО). В крупных городах только за сутки скапливаются тонны ТБО. Для снижения трафика мусоровозов используются перегрузочные станции. Процесс организован следующим образом: небольшие мусоровозы собирают ТБО в черте города, везут на перегрузочную станцию (фото 1), где разгружаются в специальное приемное устройство. Далее осуществляется автоматизированная подача ТБО в пресс, где мусор прессуется в накопителе. После этого большегрузный автомобиль, массой более 20 тонн, вывозит контейнер за черту города на отдаленный полигон.
Пресс для уплотнения отходов представляет собой гидравлическую машину с двумя цилиндрами. Блок управления прессом контролирует давление жидкости (до 21 МПа), температуру жидкости с запретом пуска при низкой температуре и степень засоренности фильтров. Давление жидкости в гидросистеме создается насосом с приводом от асинхронного электродвигателя. После запуска двигателя и до подачи управляющего сигнала на гидрораспределитель станция работает в холостом режиме. Управление движением хода штока пресса осуществляет электромагнитный распределитель. В зависимости от того, на какую катушку распределителя подается ток (катушка А или В), шток движется в направлении сжатия или возвращается в исходное положение.
Блок управления построен на базе программируемого реле ОВЕН ПР114-224 с четырьмя аналоговыми входами и реле времени. Основное требование к блоку управления – это компактность, для удобного применения его на мобильной технике и возможность работы при низких температурах.
Алгоритм управления
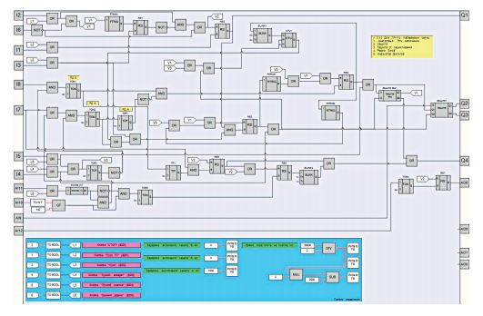
После запуска пресса аналоговый датчик давления отслеживает положение штока. При превышении уставки ПР114 подает сигнал на возврат штока. При достаточной наполненности контейнера подается сигнал на останов, и включается световая индикация. Если контейнер не заполнен, ждать превышения уставки нерационально, и тогда задействуется встроенный в ПР114 таймер. Программа управления ПР114 приведена на рис. 1. Давление в гидросистеме сбрасывается не моментально, поэтому на срабатывание наложена задержка по времени.
При схеме, построенной на электромагнитных реле, осуществление такой задержки было проблематично. Датчик давления сигнализирует световым сигналом о засоренности фильтра. Сигнал с термореле, кроме включения тэна для подогрева гидрожидкости, так же служит сигналом запрета пуска пресса (при низкой температуре жидкости в баке).
Для проверки точности работы алгоритма компанией НПФ «Техсервис» была разработана программа «Контроль» в среде программирования Delphi. Программа позволяет провести испытания блока управления до его установки на гидростанцию. Блок подключается к ПК через USB-порт по протоколу Modbus RTU. Для этого применены интерфейсный модуль ОВЕН ПР-МИ485 и автоматический преобразователь интерфейса ОВЕН АС4.
Основные преимущества блока управления с ПР114 в отличие от традиционных схем на электромагнитных реле:
- отсутствие конечных выключателей в корпусе пресса (используется датчик давления гидрожидкости), в результате пресс с гидростанцией соединены только рукавами высокого давления без электрических кабелей;
- небольшой размер блока управления (ПР114 заменил каскад из 7 электромагнитных реле);
- упрощенная настройка блока;
- индикация наполненности контейнера пресса;
- наличие двух каналов для подключения контактора управления приводом подающего устройства пресса (конвейерная лента или гидравлический толкатель);
- универсальность, т.е. возможность работы гидростанции с прессами разных производителей.
Результат применения программируемого реле
Созданная система управления на основе программируемого реле ПР114 может применяться для прессов в классе мощности от 5 до 21 кВт. Широкие возможности системы программирования OWEN Logic позволяет модифицировать управляющую программу с помощью специализированных макросов для более удобной и безопасной эксплуатации прессов. Подробное описание функций программируемого реле ПР114 с поддержкой протокола Modbus позволили разработать программу, которая является удобным инструментом для настройки пресса. Оборудование с новым блоком управления более эффективно справляется с уменьшением объема бытовых и промышленных отходов.






