Дозатор предназначен для автоматического дозирования воды заданной температуры на предприятиях хлебопекарной промышленности.
Дозатор обеспечивает:
- Задание и отображение веса дозируемой воды;
- Задание и отображение температуры дозируемой воды (холодной, горячей)
- Автоматическое дозирование воды;
- Измерение и отображение текущей температуры дозируемой воды;
- Энергонезависимое хранение заданных значений веса и температуры дозируемой воды (20 и более рецептов);
- Визуализация на ПК.
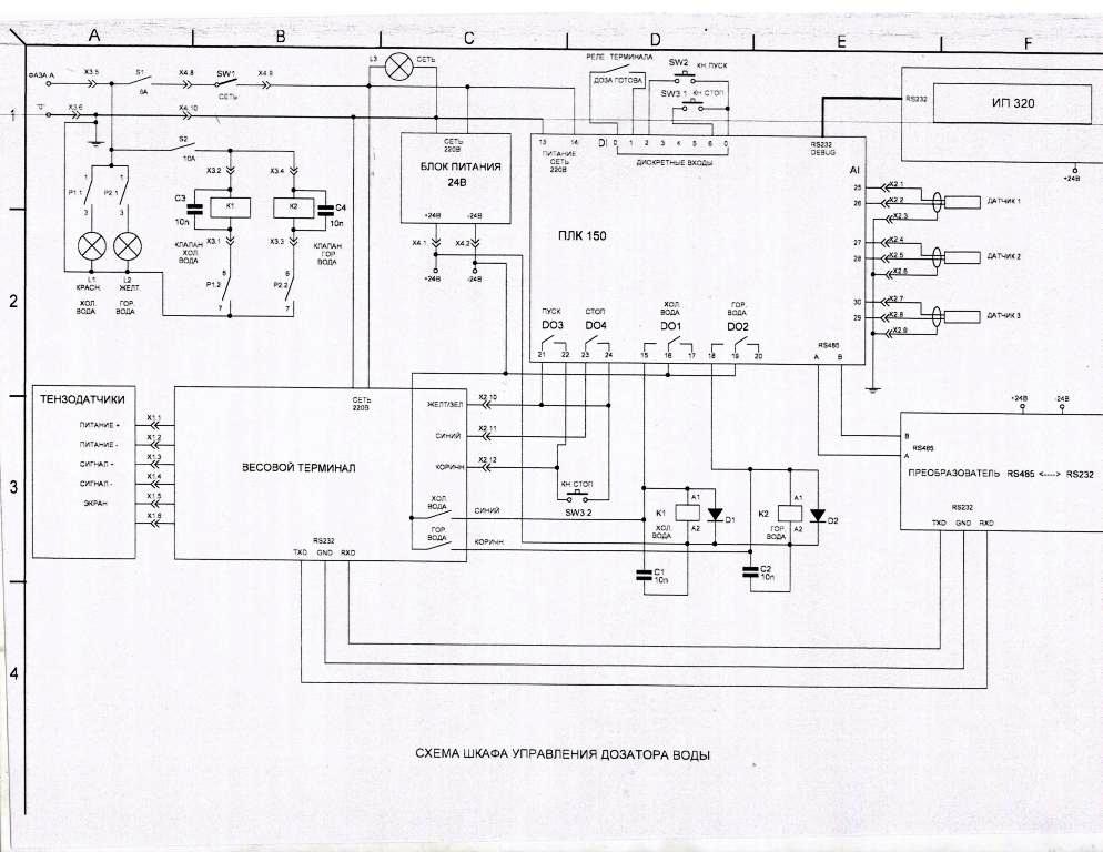
Техническое описание устройства дозирования воды заданной температуры (далее УДВ).
УДВ состоит из:
- Емкости для взвешивания воды, с выпускным краном.
- Тензодатчиков (3шт.)
- Запорной арматуры для холодной воды (краны-2шт., электромагнитный клапан 1 шт., датчик температуры воды 1шт.)
- Запорной арматуры для горячей воды (краны-2шт., электромагнитный клапан 1 шт., датчик температуры воды 1шт.)
- Датчика температуры воды в накопительном баке 1шт.
- Шкафа автоматики УДВ.
Краткое описание работы УДВ.
Оператор включает автомат в шкафу автоматики, затем выключателем на передней панели шкафа подает питание на все устройства. Наличие питания можно определить по зеленому индикатору на передней панели шкафа, либо по включению панели оператора снаружи или терминала внутри шкафа. На панели оператора отображается экран номер 1 (главный экран). На нем показан номер текущего рецепта, необходимая температура смеси, текущий вес(дублируются показания весового терминала), заданная доза ( количество смеси), а также указатель на кнопку «меню» и на кнопку обнуления весов(тара). Для выбора нужного рецепта нажать на кнопку «SET» на панели, цифра номера рецепта станет негативом, наберите нужный рецепт(от 1 до20) и нажмите «ENTER». Соответственно номеру рецепта изменится и доза смеси. После этого маркер (негативное изображение) перейдет на показание температуры. Если нет необходимости менять температуру смеси, то нажмите «ENTER», иначе введите новую температуру смеси (3 цифры) и нажмите«ENTER» . если задаваемые параметры дозирования смеси Вас устраивают, то запустите систему дозирования нажав кнопку «ПУСК» на шкафу(черная кнопка). При этом вычисленные параметры дозирования холодной и горячей воды занесутся в весовой терминал и ПЛК (контроллер) запустит дозирование. При запуске дозирования холодной воды на передней панели шкафа загорится желтая лампа, после дозирования холодной воды клапан закроется(желтая лампа потухнет) и через время , заданное в весовом терминале в функции F8 (время d) запустится дозирование горячей воды, т.е. откроется клапан горячей воды и загорится красная лампа. По окончании дозирования клапан выключается, весы показывают количество отгруженной воды. После опустошения емкости можно повторить операцию, либо поменять параметры и запустить дозирование с новыми параметрами.






