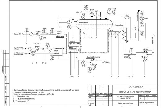
Система автоматизации разработана для парового котла ДЕ-25-14ГМ с газовой горелкой WKGL 70/2-A исп. ZM-NR ф.Weishaupt (основное топливо – природный газ, резервное – дизельное).
Функции сбора и обработки информации, формирования алгоритмов управления, выработки управляющих команд осуществляет программируемый контроллер ОВЕН ПЛК110 в комплекте с аналоговыми модулями ввода/вывода серии МВ110.
Данные о параметрах технологического процесса и состоянии оборудования отображаются на экране сенсорной панели оператора СП310-Б, установленной на дверце щита.
Щит и оборудование, предназначенное для работы с ним, обеспечивают выполнение следующих функций:
- автоматический пуск и останов котла;
- измерение и индикацию основных параметров и состояния оборудования котла;
- контроль и защиту по основным технологическим параметрам котла;
- нормативные блокировки;
- сигнализацию аварийных отклонений параметров, запоминание первопричины аварийного останова котла;
- защиту (прекращение подачи топлива к горелке) и светозвуковую сигнализацию при аварийном отклонении от заданных значений технологических параметров в соответствии с требованиями СП 89.13330.2012 «Котельные установки»;
- дистанционное управление дымососом;
- автоматическое регулирование по ПД-алгоритму: разрежения в топке котла, уровня воды в барабане котла;
- передачу информации на верхний уровень управления.
Щит управления является полностью законченным устройством и может эксплуатироваться автономно без верхнего уровня управления.
Верхний уровень управления (АРМ оператора). Программа АРМ оператора выполнена на базе ПО MasterSCADA «MAS100» и предназначена для мониторинга и управления технологическим процессом котла.
АРМ оператора обеспечивает следующие функции:
- удобную графическую форму отображения технологического процесса;
- возможность подачи команд;
- регистрацию и архивирование технологических параметров;
- отображение значений параметров ТП, состояния запорной арматуры и электродвигателей тягодутьевых механизмов на мнемосхемах;
- отображение исторических и реального времени графиков изменения во времени технологических параметров с возможностью вывода на печать необходимого диапазона графика;
- вывод информационных сообщений о ходе процесса;
- аварийную сигнализацию отклонения технологических параметров от нормы, с выводом текстового сообщения и подачей звукового сигнала;
- регистрацию значений технологических параметров, аварийных и информационных сообщений в независимой базе данных;
- формирование рапортов (с заданными временными параметрами и интервалом) значений основных технологических параметров, необходимых для учета, с возможностью вывода их на печать.










![ПЛК110 [М02] контроллер для средних систем автоматизации с DI/DO (обновленный)](https://owen-russia.ru/wp-content/uploads/2022/08/plk110-30_m02-300x240.png)



