МУ110 модули аналогового вывода (AO)
19 398.00₽
Бесплатная доставка для заказов свыше 50 000 руб.
- Быстрая доставка
- Безопасные платежи
Описание
Модули предназначены для преобразования цифровых сигналов, передаваемых по сети RS-485, в аналоговые сигналы для управления исполнительными механизмами.
С 1 марта 2024 года обновленные модули H/W v2.0 МУ110-8И и МУ110-6У поставляются с новой версией прошивки (подробнее).
Встроенное ПО модулей H/W v2.0 несовместимо с модулями, выпущенными до версии H/W v2.0.
Обновление модулей аналогового вывода
|
Серия МУ110 |
Статус |
|
МУ110-224.8И H/W v2.0 |
1 марта 2024 года проведено обновление |
|
МУ110-224.6У H/W v2.0 |
Основные отличия обновленной версии
|
Параметр |
Мх110 H/W v2.0 |
Мх110 |
|
ПО для настройки |
OWEN Configurator (Modbus RTU) |
Конфигуратор Мx110 (ОВЕН) |
|
Поддерживаемые протоколы |
Modbus RTU/ASCII, ОВЕН |
Modbus RTU/ASCII, ОВЕН, DCON |
|
Счётчики импульсов дискретных входов |
Энергозависимые |
Энергонезависимые |
|
Восстановление заводских настроек |
Сбрасываются на заводские при включении питания с переключателем 2 (3 для МВ110-8А) в положении ON |
Модуль работает с заводскими значениями сетевых параметров, но в его памяти сохраняются установленные ранее значения сетевых параметров при включении питания с соответствующей перемычкой в положении ON |
|
Режим «жесткой логики» для модулей ввода/вывода |
Нет |
Да |
|
Поддерживаемые функции записи по протоколу Modbus |
0x10 |
0x10 |
|
Доступ к сетевым параметрам по протоколу Modbus |
Да |
Нет |
|
Доступ к конфигурационным параметрам аналоговых входов/выходов по протоколу ModBus |
Да | Нет |
Особенности
- Диагностика обрыва интерфейсной линии и перевод выходов в безопасное состояние, определенное пользователем
- Автоматическое определение протокола
- Съемные клеммники с невыпадающими винтами
- Обновление встроенного программного обеспечения по RS-485
- Поддержка облачного сервиса OwenCloud (при использовании сетевого шлюза ПМ210)
Конфигурирование
Конфигурирование модулей Мх110 осуществляется на ПК через адаптер интерфейса RS-485/RS-232 или RS-485/USB (например, ОВЕН АСЗ-М или ОВЕН АС4).
Программное обеспечение для настройки модулей
Технические характеристики
|
Модификация |
МУ110-224.8И |
МУ110-224.6У |
|
|
![]() |
![]() |
|
Выходы |
||
|
Количество выходов |
8 AO |
6 AO |
|
Тип выходов |
4…20 мА |
0…10 В |
|
Характеристики аналоговых выходов (AO) |
||
|
Предел основной приведенной погрешности ЦАП |
±0,5% |
|
|
Разрядность ЦАП |
10 бит |
|
|
Сопротивление нагрузки, подключаемой к выходу |
0…1300 Ом |
не менее 2 кОм |
|
Диапазон напряжений питания выхода |
10…36 В |
12…36 В |
|
Питание |
||
|
Тип питания |
универсальное ~230 В/=24 В |
|
|
Напряжение питания |
переменное: ~90…264 В (номинальное ~230 В) частотой 47…63 Гц или постоянное: =18…30 В (номинальное =24 В) |
|
|
Потребляемая мощность |
не более 6 ВА |
|
|
Конструктивное исполнение |
||
|
Габаритные размеры |
(63×110×75) ±1 мм |
|
|
Степень защиты |
IP20 |
|
|
Монтаж |
на DIN-рейку / на стену |
|
|
Условия эксплуатации |
||
|
Температура окружающего воздуха |
-10…+55 °С |
|
|
Относительная влажность воздуха (при +25 °С и ниже без конденсации влаги) |
не более 80 % |
|
|
Комплектность |
||
|
Модуль |
1 шт. |
|
|
Паспорт / Гарантийный талон |
1 экз. |
|
|
Краткое руководство по эксплуатации |
1 экз. |
|
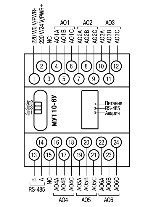
Схемы подключения
Общий чертеж
Схема подключения к выходным элементам
FAQ
Аксессуары
Чертежи, схемы, модели
Документация и ПО
Цены (обновлено — 23.02.2026 в 13:41 по московскому времени)
| Стандартные позиции (цены указаны с НДС) | ||
| МУ110-224.6У
230VAC/24VDC, 6хAO(У)
|
19 398,00 ₽ | |
| МУ110-224.8И
230VAC/24VDC, 8хAO(И)
|
20 313,00 ₽ | |
*Информация не является публичной офертой










Отзывы
Отзывов пока нет.