Модульное реле контроля фаз MEYERTEC PCR
3 240.00₽
Бесплатная доставка для заказов свыше 50 000 руб.
- Быстрая доставка
- Безопасные платежи
Описание
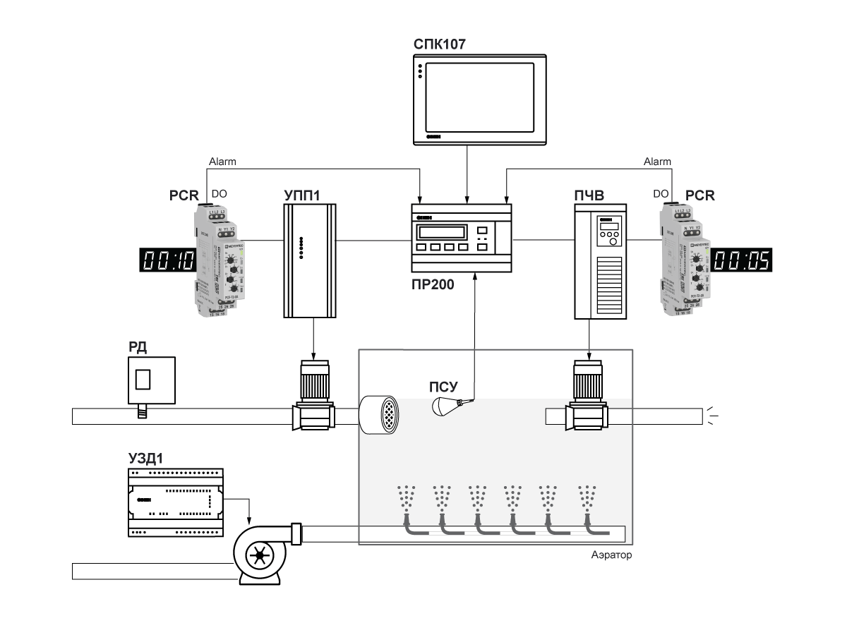
Модульное реле контроля фаз MEYERTEC PCR предназначено для надёжного контроля параметров трёхфазной сети до 1000 В.
Устройство отслеживает обрыв, перекос и чередование фаз, наличие нейтрали, а также уровни перенапряжения и провала напряжения с заданной выдержкой времени срабатывания. При выявлении отклонений реле автоматически отключает нагрузку, предотвращая повреждение оборудования.
Применяется для защиты трехфазных электродвигателей и другого промышленного электрооборудования, снижает риски аварий и сокращает расходы на ремонт.
Универсальное подключение
Одна модель реле подходит для 3- и 4-проводных сетей, упрощая подбор и монтаж.
Отдельная индикация аварий
Каждый тип аварии отображается отдельным светодиодом — для быстрой диагностики.
Выдержка времени срабатывания
Защищает от кратковременных помех и ложных срабатываний за счёт заданной задержки.
Контроль обрыва нейтрали
Обеспечивает дополнительную защиту при обрыве нулевого проводника.
Компактный корпус
Экономит место в шкафу управления — удобно для модернизации и нового монтажа.
Примеры применения
Технические характеристики
Питание
|
|
PCR-T1-5A |
PCR-T2-8A |
|
Выходные параметры |
||
|
Количество (тип) контактных групп реле |
1 (SPDT) |
2 (SPDT) |
|
Нагрузочная способность выходных контактов реле |
5 А / ~240 В |
8 А / ~240 В |
|
Входные параметры |
||
|
Номинальные значения линейных напряжений трехфазной сети (Uн)* |
220, 230, 240, 380, 400, 415, 440, 459 В |
220, 230, 240, 380, 400, 415, 440, 459 В |
|
Диапазон фазных напряжений |
127…254 В |
127…254 В |
|
Частота питающей сети |
47…63 Гц |
47…63 Гц |
|
Потребляемая мощность, не более |
3 Вт |
3 Вт |
* Значение задается с помощью элемента управления на передней панели реле
Защита
|
Диапазон установки порога включения защиты по перенапряжению (U>)* |
5…20 % Uн |
|
Диапазон установки порога включения защиты по пониженному напряжению (U<)* |
5…20 % Uн |
|
Пороговое значение срабатывания защиты по перекосу фаз |
10 % |
|
Гистерезис |
10 В |
|
Время включения после подачи питания, не более |
3 с |
|
Время задержки включения защиты (Tвкл) по перенапряжению* |
0,5…10 с |
|
Время задержки включения защиты (Tвкл) по пониженному напряжению* |
0,5…10 с |
|
Время задержки включения защиты (Tвкл) по перекосу фаз* |
0,5…10 с |
|
Время задержки включения защиты (Tвкл) при обрыве фазы или нейтрали и неверной последовательности подключения фаз, не более |
0,5 с |
|
Время задержки выключения защиты (Твыкл), не более |
3 с |
|
Погрешность установки пороговых значений, не более |
±10 % от диапазона установки |
|
Ошибка повторяемости, не более |
2 % |
* Значение задается с помощью элемента управления на передней панели реле
Безопасность и ЭМС
|
Категория перенапряжения по ГОСТ IEC 61204-7 |
III |
|
Степень загрязнения по ГОСТ Р 50030.1 |
2 |
|
Электрическая прочность изоляции между цепями питания и контактами реле |
2000 В |
Условия эксплуатации
|
Рабочий диапазон температур окружающей среды |
–20…+55 °С |
|
Атмосферное давление |
84…106,7 кПа |
|
Относительная влажность воздуха (при +25 °С и ниже без конденсации влаги) |
не более 80 % |
Общие сведения
|
Срок эксплуатации |
10 лет |
|
Срок гарантийного обслуживания |
2 года |
|
Механический ресурс, не менее |
1×107 циклов |
|
Электрический ресурс, не менее |
1×105 циклов |
|
Максимальное сечение проводов, подключаемых к клеммам групп контактов SPDT |
2,0 мм2 / 14 AWG |
|
Максимальное сечение проводов, подключаемых к клеммам L1, L2, L3, N, Y1, Y2 |
2,5 мм2 |
|
Способ монтажа |
DIN-рейка, 35 мм |
|
Масса, не более |
75 г |
Габаритные размеры
Схемы подключения
Схема подключения реле модификации PCR-T1-5A
1) ЗФ3П (3 фазы, 3 провода, 3-проводная схема подключения) – без контроля нейтрали (L1, L2, L3)
2) 3Ф4П (3 фазы, 4 провода, 4-проводная схема подключения) – с контролем нейтрали (L1, L2, L3, N)
Схема подключения реле модификации PCR-T2-8A
1) ЗФ3П (3 фазы, 3 провода, 3-проводная схема подключения) – без контроля нейтрали (L1, L2, L3)
2) 3Ф4П (3 фазы, 4 провода, 4-проводная схема подключения) – с контролем нейтрали (L1, L2, L3, N)
Документация
| Документация | |||
| Руководство по эксплуатации MEYERTEC PCR | 0.88 MB | ||
| Сертификаты | |||
| Сертификат соответствия на MEYERTEC PCR | zip | 277.59 kB | |
Комплектация
- Прибор
- Руководство по эксплуатации
Цены (обновлено — 22.11.2025 в 10:44 по московскому времени)
| На заказ (цены указаны с НДС) | ||
| PCR-T1-5A
Модульное реле контроля фаз, 1хSPDT, 5A, 220…459V
|
3 240,00 ₽ | |
| PCR-T2-8A
Модульное реле контроля фаз, 2хSPDT, 8A, 220…459V
|
3 600,00 ₽ | |
*Информация не является публичной офертой







![HD-хх25.DD3 [M02] твердотельные реле для коммутации постоянного тока](https://owen-russia.ru/wp-content/uploads/2022/08/hd-4044.dd3_-300x300.png)

Отзывы
Отзывов пока нет.