УЗД1 устройство защиты двигателя
13 725.00₽
Бесплатная доставка для заказов свыше 50 000 руб.
- Быстрая доставка
- Безопасные платежи
Описание
УЗД1 — это система защиты и управления двигателем, которая обеспечивает мгновенный мониторинг всех его параметров. Прибор позволяет производить пуск, реверс и останов электродвигателя путем управления внешними контакторами или другими устройствами для пуска двигателя.
Преимущества
- Быстрый ввод в эксплуатацию, за счет удобной настройки в OwenConfigurator через современные интерфейсы связи (RS/ETH/USB)
- Передача текущих параметров двигателя, позволяет предупредить аварийное состояние двигателя и его выход из строя (OwenCloud)
- Экономия места в шкафу благодаря объединению функционала нескольких устройств (токовое реле, реле напряжения, устройство контроля параметров сети)
- Режим двухступенчатого пуска позволит увеличить срок службы двигателя (схема звезда/треугольник и схема с добавочными резисторами)
- Возможность работы с самыми распространенными трансформаторами тока (номинальный ток вторичной обмотки 1А или 5А)
Применение
УЗД предназначен для защиты трехфазных асинхронных и синхронных двигателей. Эти типы двигателей чаще всего применяются в следующих типах установок:
Благодаря широкому распространению электродвигателей в промышленности УЗД1 может применяться абсолютно в любой отрасли:
- Горнодобывающая промышленность
- Нефтегазовая промышленность
- Водоснабжение и водоподготовка
- Металлургия
- Химическая промышленность
- Пищевая промышленность
- Бумажно-целлюлозная промышленность
Примеры применения
Каскадное управление насосом совместно с СУНА-122, ПЧВ3 и УПП1
Принцип работы
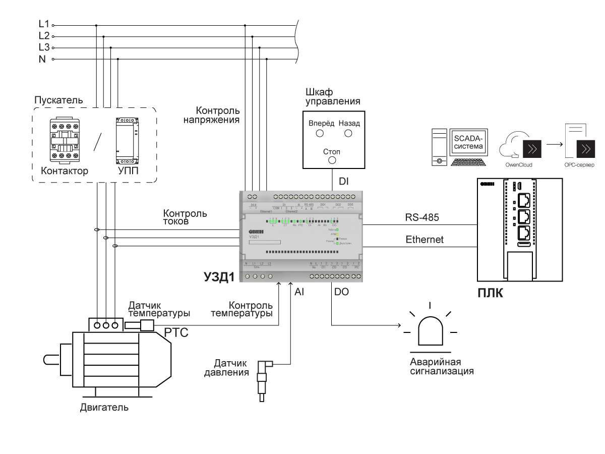
УЗД1 в совокупности с внешними контакторами запускает или останавливает двигатель согласно соответствующему сигналу управления. В процессе работы прибор непрерывно измеряет параметры питающей сети, двигателя, внешних датчиков, по их совокупности определяет наличие аварийных ситуаций и, в целях предупреждения выхода двигателя из строя, отключает его от сети. Каждая из аварий имеет широкий диапазон настроек и фиксируется в журнале аварий. С целью прогнозирования износа двигателя и планирования мероприятий по его техническому обслуживанию ведется статистика наработки двигателя.
Принципиальная схема работы УЗД1
Технические характеристики
|
Параметр |
Значение |
|
|
Питание |
||
|
Напряжение питания цепи управления |
3 × 400 В (+10/-15 %) |
|
|
Частота питающего напряжения |
50(±3), 60(±3) Гц |
|
|
Напряжение ВИП |
24 (±4) В |
|
|
Максимальный ток ВИП |
40 мА |
|
|
Измерение параметров |
||
|
Напряжение |
||
|
— Фазного |
50..300 В |
|
|
— Линейного |
80..500 В |
|
|
Ток |
||
|
Измерения RMS тока |
0…5 А* |
|
|
Номинальный вторичный ток ТТ |
1 А или 5 А |
|
|
Диапазон измерения частоты первой гармоники сетевого напряжения |
47..63 Гц |
|
|
* Если используется ТТ с коэффициентом трансформации, то значение следует умножить на этот коэффициент |
||
|
Аналоговый вход |
||
|
Количество |
1 |
|
|
Тип входов |
0…10 В, 2…10 В, 0…20 мА, 4…20 мА |
|
|
Номинальное значение входного сопротивления |
Не менее 10 кОм (0…10 В, 2…10 В) Не более 300 Ом (0…20 мА, 4…20 мА) |
|
|
Дискретный вход |
||
|
Количество |
3 |
|
|
Тип входов |
Цифровой |
|
|
Напряжение: |
||
|
— «Логической единицы» |
15..30 В |
|
|
— «Логического нуля» |
-3..+5 В |
|
|
Вход измерения сопротивления изоляции |
||
|
Количество |
1 |
|
|
Пороговый уровень контроля сопротивления изоляции |
1 МОм |
|
|
Дискретный выход |
||
|
Количество |
1 (сигнальный) |
2 (силовой) |
|
Тип выхода |
Релейный, нормально открытый |
Релейный, перекидной |
|
Тип нагрузки |
Резистивная/индуктивная |
|
|
Максимальный коммутируемый ток |
1 А |
10 A при ~250 В (cosφ = 1) 10 A при 24 В (L/R = 0 мс) 5 A при ~250 В (cosφ = 0.4) 5 A при 30 В (L/R = 7 мс) 1,5 А (AC15) 1,25 A (DC13) |
|
RS-485 |
||
|
Максимальная скорость обмена |
115200 Кбит/с |
|
|
Максимальная длина линии связи |
1200 м |
|
|
Протокол обмена |
Modbus-RTU |
|
|
Ethernet |
||
|
Скорость обмена |
10/100 Мбит/с |
|
|
Протокол обмена |
Modbus-TCP |
|
|
USB |
||
|
Версия |
2.0 |
|
|
Тип разъема |
MicroUSB |
|
|
Корпус |
||
|
Степень защиты корпуса |
IP20 |
|
Полный список технических характеристик вы сможете найти в руководстве по эксплуатации.
Функциональная схема прибора
Все измеряемые показатели двигателя УЗД1 способно передавать по интерфейсам RS485 или Ethernet. Измеряемые прибором параметры:
- частота напряжения питающей сети
- напряжение питающей сети (линейное/фазное)
- ток двигателя
- cos φ
- мощность (активная, реактивная, полная)
- потребляемая энергия (активная, реактивная, полная)
Постоянный мониторинг параметров двигателя позволяет осуществлять контроль и защиту всех узлов привода:
Контроль состояния питающей сети
- защита по отклонению частоты питающей сети;
- защита по отклонению напряжения питающей сети;
- защита от обрыва фаз питающей сети на приборе;
- защита от асимметрии напряжения питающей сети.
Контроль состояния электродвигателя
- защита от асимметрии токов двигателя;
- защита по минимальному току двигателя;
- защита по максимальному току двигателя;
- защита по току утечки;
- защита от перегрева двигателя по датчику PTC или по току двигателя;
- защита от снижения сопротивления изоляции двигателя;
- защита от превышения времени пуска;
- защита от заклинивания ротора двигателя;
- защита по максимальной частоте пусков двигателя;
- защита от неправильного подключения двигателя и цепей измерения тока;
- отключение двигателя по аналоговому сигналу для реализации контроля состояния двигателя посредством различных датчиков с аналоговым выходом;
- статистика работы двигателя.
Контроль состояния прибора и внешнего оборудования
- контроль исправности внешнего контактора;
- защита прибора от перегрева;
- контроль внутренних ошибок прибора;
- защита от обрыва аналогового сигнала
Схемы подключения
Документация и ПО
| Документация | ||||
| Руководство по эксплуатации УЗД1 | 6.72 MB | |||
| Руководство по эксплуатации УЗД1 | для приборов купленных до 01.04.2024 | 7.52 MB | ||
| Руководство по эксплуатации (краткое) УЗД1 | 3.11 MB | |||
| Быстрый старт УЗД1 | 484 kB | |||
| Сертификаты | ||||
| Декларация о соответствии на УЗД1 | zip | 41.02 kB | ||
| ПО | ||||
| Обновление ПО для УЗД1-RS.ETH | zip | 0.84 MB | ||
| Обновление ПО для УЗД1-RS | zip | 0.84 MB | ||
| Драйвер для Windows 7/8 | zip | 1.28 MB | ||
| Визуализация для УЗД1 на СП307 | zip | 2.1 MB | ||
Комплектация
- Прибор
- Краткое руководство
- Паспорт и гарантийный талон
- Заглушка для Ethernet
- РТС датчик температуры
Цены (обновлено — 17.05.2026 в 13:46 по московскому времени)
| цены указаны с НДС | ||
| УЗД1-RS
Устройство для защиты двигателя с интерфейсом RS-485
|
13 725,00 ₽ | |
| УЗД1-RS.ETH
Устройство для защиты двигателя с интерфейсами RS-485 и Ethernet
|
15 250,00 ₽ | |
*Информация не является публичной офертой






![HDH-xx44.ZD3 [M02] твердотельные реле в стандартном корпусе для коммутации мощной нагрузки](https://owen-russia.ru/wp-content/uploads/2022/08/hdh-xx44.zd3_1-300x300.png)


Отзывы
Отзывов пока нет.